36 Volt Trolling Motor Wiring Diagram | Wiring Diagram – 12 24 Volt Trolling Motor Wiring Diagram

36 Volt Trolling Motor Wiring Diagram | Wiring Diagram – 12 24 Volt Trolling Motor Wiring Diagram

12 24 volt trolling motor wiring diagram – You will want a comprehensive, skilled, and easy to comprehend Wiring Diagram. With this kind of an illustrative manual, you will be capable of troubleshoot, stop, and total your projects with ease. Not just will it assist you to attain your desired outcomes quicker, but also make the entire method easier for everybody. This book can demonstrate to become the perfect instrument for all those who wish to produce a well-organized and well-planned operating environment.

12 24 Volt Trolling Motor Wiring Diagram | Wiring Diagram - 12 24 Volt Trolling Motor Wiring Diagram

12 24 Volt Trolling Motor Wiring Diagram | Wiring Diagram – 12 24 Volt Trolling Motor Wiring Diagram

Wiring Diagram will come with a number of easy to follow Wiring Diagram Directions. It’s meant to assist each of the typical user in developing a correct method. These guidelines will probably be easy to grasp and implement. Using this guide, you may be in a position to see how each and every element needs to be related and also the precise actions you should take in order to effectively full a particular job.

12 24 Volt Trolling Motor Wiring Diagram | Wiring Diagram - 12 24 Volt Trolling Motor Wiring Diagram

12 24 Volt Trolling Motor Wiring Diagram | Wiring Diagram – 12 24 Volt Trolling Motor Wiring Diagram

Wiring Diagram includes several comprehensive illustrations that present the link of varied things. It includes instructions and diagrams for various types of wiring strategies and other items like lights, windows, and so on. The e-book features a great deal of sensible tips for numerous circumstances that you may come across when you are dealing with wiring issues. Every one of those ideas are illustrated with practical examples.

Boat Trolling Motor 24V Battery Wiring Diagram | Wiring Diagram - 12 24 Volt Trolling Motor Wiring Diagram

Boat Trolling Motor 24V Battery Wiring Diagram | Wiring Diagram – 12 24 Volt Trolling Motor Wiring Diagram

Wiring Diagram not merely provides comprehensive illustrations of whatever you can perform, but also the processes you ought to adhere to although carrying out so. Not just can you locate different diagrams, but you can also get step-by-step instructions for a certain project or topic that you’d prefer to know more details on. It’s going to enable you to definitely master various approaches to sophisticated concerns.

24 Volt Trolling Motor Battery Wiring | Manual E-Books - 12 24 Volt Trolling Motor Wiring Diagram

24 Volt Trolling Motor Battery Wiring | Manual E-Books – 12 24 Volt Trolling Motor Wiring Diagram

Additionally, Wiring Diagram gives you enough time frame during which the projects are to become finished. You will be in a position to know specifically when the tasks needs to be accomplished, that makes it much easier for you personally to properly control your time.

8 Best Of 36 Volt Trolling Motor Wiring Diagram Images | Simple - 12 24 Volt Trolling Motor Wiring Diagram

8 Best Of 36 Volt Trolling Motor Wiring Diagram Images | Simple – 12 24 Volt Trolling Motor Wiring Diagram

Wiring diagram also gives beneficial suggestions for projects that may require some extra gear. This guide even contains suggestions for additional materials that you may need as a way to complete your projects. It will likely be able to provide you with additional tools like conductive tape, screwdrivers, wire nuts, and so forth. It’ll also consist of supplies you could need to full easy tasks.

Panel Wiring Diagram On Trolling Motor Wiring Diagrams 12 24 Volt - 12 24 Volt Trolling Motor Wiring Diagram

Panel Wiring Diagram On Trolling Motor Wiring Diagrams 12 24 Volt – 12 24 Volt Trolling Motor Wiring Diagram

Wiring Diagram includes both examples and step-by-step instructions that would allow you to truly build your undertaking. This is useful for both the folks and for specialists that are seeking to find out more regarding how to set up a functioning environment. Wiring Diagrams are designed to be easy to understand and easy to construct. You’ll be able to find this guide easy to utilize and also very affordable.

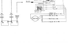
12 24 Volt Trolling Motor Wiring Diagram | Wiring Diagram - 12 24 Volt Trolling Motor Wiring Diagram

12 24 Volt Trolling Motor Wiring Diagram | Wiring Diagram – 12 24 Volt Trolling Motor Wiring Diagram

You’ll be able to usually rely on Wiring Diagram being an essential reference that will help you save money and time. Using the assist of this e-book, you are able to very easily do your own wiring projects. No matter what you will need it for, you can always locate a listing of distinct supplies that you will need to accomplish a activity. In addition, this book offers sensible ideas for a lot of different assignments which you will probably be in a position to accomplish.

36 Volt Trolling Motor Wiring Diagram | Wiring Diagram - 12 24 Volt Trolling Motor Wiring Diagram

36 Volt Trolling Motor Wiring Diagram | Wiring Diagram – 12 24 Volt Trolling Motor Wiring Diagram

Watch The Video of 12 24 volt trolling motor wiring diagram