Gmc Truck Wiring Diagrams On Gm Wiring Harness Diagram 88 98 | Kc – 1988 Chevy Truck Wiring Diagram

Gmc Truck Wiring Diagrams On Gm Wiring Harness Diagram 88 98 | Kc – 1988 Chevy Truck Wiring Diagram

1988 chevy truck wiring diagram – You will want an extensive, skilled, and easy to know Wiring Diagram. With this kind of an illustrative guidebook, you are going to have the ability to troubleshoot, stop, and full your projects with ease. Not merely will it enable you to achieve your required outcomes more quickly, but also make the whole process less difficult for everyone. This book can show to be the perfect instrument for all these who wish to produce a well-organized and well-planned operating atmosphere.

Repair Guides | Wiring Diagrams | Wiring Diagrams | Autozone - 1988 Chevy Truck Wiring Diagram

Repair Guides | Wiring Diagrams | Wiring Diagrams | Autozone – 1988 Chevy Truck Wiring Diagram

Wiring Diagram will come with several easy to follow Wiring Diagram Guidelines. It is intended to help each of the average consumer in building a proper method. These guidelines will probably be easy to comprehend and use. Using this guide, you may be able to find out how each and every part should be connected and also the actual actions you need to get in order to effectively full a particular task.

1990 Chevrolet 1500 Wiring Diagram - Today Wiring Diagram - 1988 Chevy Truck Wiring Diagram

1990 Chevrolet 1500 Wiring Diagram – Today Wiring Diagram – 1988 Chevy Truck Wiring Diagram

Wiring Diagram includes numerous detailed illustrations that display the link of assorted items. It includes instructions and diagrams for various kinds of wiring methods and other items like lights, home windows, and so on. The book incorporates a great deal of practical techniques for various situations that you could come across when you are dealing with wiring problems. Each one of such suggestions are illustrated with practical illustrations.

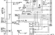
Gmc Truck Wiring Diagrams On Gm Wiring Harness Diagram 88 98 | Kc - 1988 Chevy Truck Wiring Diagram

Gmc Truck Wiring Diagrams On Gm Wiring Harness Diagram 88 98 | Kc – 1988 Chevy Truck Wiring Diagram

Wiring Diagram not just gives in depth illustrations of what you can do, but additionally the processes you need to follow although carrying out so. Not only can you discover various diagrams, however you can also get step-by-step directions for a certain project or subject that you would like to know more details on. It’ll allow you to master different methods to sophisticated issues.

Repair Guides | Wiring Diagrams | Wiring Diagrams | Autozone - 1988 Chevy Truck Wiring Diagram

Repair Guides | Wiring Diagrams | Wiring Diagrams | Autozone – 1988 Chevy Truck Wiring Diagram

Furthermore, Wiring Diagram provides you with the time frame in which the projects are for being finished. You may be in a position to know specifically once the assignments needs to be finished, which makes it much simpler to suit your needs to properly control your time.

Repair Guides | Wiring Diagrams | Wiring Diagrams | Autozone - 1988 Chevy Truck Wiring Diagram

Repair Guides | Wiring Diagrams | Wiring Diagrams | Autozone – 1988 Chevy Truck Wiring Diagram

Wiring diagram also provides helpful ideas for assignments that might require some additional gear. This e-book even consists of ideas for extra materials that you may require to be able to complete your projects. It will be capable to offer you with additional equipment like conductive tape, screwdrivers, wire nuts, and so on. It will also include materials you could need to full easy projects.

Wiring Diagram 88 Chevy Silverado - Wiring Diagram Detailed - 1988 Chevy Truck Wiring Diagram

Wiring Diagram 88 Chevy Silverado – Wiring Diagram Detailed – 1988 Chevy Truck Wiring Diagram

Wiring Diagram includes both illustrations and step-by-step directions that would permit you to definitely truly construct your project. This really is useful for the two the individuals and for professionals who’re searching to learn more regarding how to set up a operating environment. Wiring Diagrams are designed to be easy to know and easy to construct. You are able to find this guide easy to make use of and in addition very inexpensive.

Complete 73-87 Wiring Diagrams - 1988 Chevy Truck Wiring Diagram

Complete 73-87 Wiring Diagrams – 1988 Chevy Truck Wiring Diagram

You are able to often rely on Wiring Diagram as an essential reference that can enable you to conserve time and money. With all the aid of this book, you’ll be able to very easily do your own wiring projects. It doesn’t matter what you’ll need it for, you can usually locate a listing of different supplies that you will need to perform a task. Moreover, this book offers practical ideas for many distinct projects that you simply will be able to finish.

1987 Chevy Truck Fuel Pump Wiring Diagram Need A - Wiring Block Diagram - 1988 Chevy Truck Wiring Diagram

1987 Chevy Truck Fuel Pump Wiring Diagram Need A – Wiring Block Diagram – 1988 Chevy Truck Wiring Diagram

Watch The Video of 1988 chevy truck wiring diagram