Repair Guides | Wiring Diagrams | Wiring Diagrams | Autozone – 1998 Chevy Silverado Wiring Diagram

Repair Guides | Wiring Diagrams | Wiring Diagrams | Autozone – 1998 Chevy Silverado Wiring Diagram

1998 chevy silverado wiring diagram – You’ll need a comprehensive, expert, and easy to understand Wiring Diagram. With this kind of an illustrative guide, you’ll have the ability to troubleshoot, stop, and full your projects with ease. Not just will it enable you to attain your required outcomes faster, but in addition make the complete procedure less difficult for everyone. This book can prove to become the ideal tool for all those who desire to produce a well-organized and well-planned operating environment.

Repair Guides | Wiring Diagrams | Wiring Diagrams | Autozone - 1998 Chevy Silverado Wiring Diagram

Repair Guides | Wiring Diagrams | Wiring Diagrams | Autozone – 1998 Chevy Silverado Wiring Diagram

Wiring Diagram will come with a number of easy to follow Wiring Diagram Guidelines. It really is supposed to aid all the average person in developing a correct program. These guidelines will likely be easy to understand and implement. With this guidebook, you will be in a position to find out how each element ought to be related and the actual steps you ought to consider in order to successfully complete a certain job.

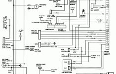
98 Chevy Fuel Pump Wiring Diagram - Wiring Diagrams Hubs - 1998 Chevy Silverado Wiring Diagram

98 Chevy Fuel Pump Wiring Diagram – Wiring Diagrams Hubs – 1998 Chevy Silverado Wiring Diagram

Wiring Diagram consists of numerous detailed illustrations that show the connection of various products. It consists of guidelines and diagrams for different types of wiring techniques as well as other products like lights, windows, and so on. The guide features a great deal of practical techniques for various situations that you could encounter when you are dealing with wiring problems. Each one of such tips are illustrated with practical examples.

Wiring Diagram For 1998 Chevy Silverado - Wiring Diagram Data Oreo - 1998 Chevy Silverado Wiring Diagram

Wiring Diagram For 1998 Chevy Silverado – Wiring Diagram Data Oreo – 1998 Chevy Silverado Wiring Diagram

Wiring Diagram not merely gives in depth illustrations of everything you can do, but also the processes you need to adhere to while performing so. Not just is it possible to find numerous diagrams, however, you can also get step-by-step guidelines for a particular venture or subject that you’d wish to know more details on. It will allow you to definitely learn different methods to complicated issues.

Chevrolet Kodiak C6500 Fuse Box - Wiring Diagram Detailed - 1998 Chevy Silverado Wiring Diagram

Chevrolet Kodiak C6500 Fuse Box – Wiring Diagram Detailed – 1998 Chevy Silverado Wiring Diagram

Furthermore, Wiring Diagram provides you with the time body in which the projects are to become accomplished. You may be in a position to know exactly once the tasks should be completed, that makes it much simpler to suit your needs to correctly control your time.

98 Gmc Fuse Diagram - Wiring Diagrams Hubs - 1998 Chevy Silverado Wiring Diagram

98 Gmc Fuse Diagram – Wiring Diagrams Hubs – 1998 Chevy Silverado Wiring Diagram

Wiring diagram also offers beneficial recommendations for tasks that might need some added gear. This book even includes recommendations for additional provides that you might need to be able to finish your tasks. It will be capable to provide you with extra tools like conductive tape, screwdrivers, wire nuts, etc. It’s going to also consist of supplies you may must total straightforward tasks.

89 Chevy Truck Tail Light Wiring Diagram | Wiring Diagram - 1998 Chevy Silverado Wiring Diagram

89 Chevy Truck Tail Light Wiring Diagram | Wiring Diagram – 1998 Chevy Silverado Wiring Diagram

Wiring Diagram consists of the two examples and step-by-step guidelines that will permit you to truly construct your undertaking. This really is useful for each the folks and for professionals who are looking to learn more on how to established up a operating environment. Wiring Diagrams are created to be easy to comprehend and easy to create. You are able to discover this guide easy to make use of as well as very affordable.

98 Chevy Silverado Wiring Diagram | Manual E-Books - 1998 Chevy Silverado Wiring Diagram

98 Chevy Silverado Wiring Diagram | Manual E-Books – 1998 Chevy Silverado Wiring Diagram

You are able to usually depend on Wiring Diagram as an crucial reference that will assist you to conserve time and money. Using the help of the guide, you’ll be able to very easily do your own wiring projects. No matter what you’ll need it for, you are able to always discover a list of various materials that you will need to perform a task. Furthermore, this guide provides sensible recommendations for a lot of different tasks that you simply will likely be capable to accomplish.

Repair Guides | Wiring Diagrams | Wiring Diagrams | Autozone - 1998 Chevy Silverado Wiring Diagram

Repair Guides | Wiring Diagrams | Wiring Diagrams | Autozone – 1998 Chevy Silverado Wiring Diagram

Watch The Video of 1998 chevy silverado wiring diagram