2005 jeep grand cherokee radio wiring diagram – You’ll need a comprehensive, expert, and easy to comprehend Wiring Diagram. With this kind of an illustrative guidebook, you’ll have the ability to troubleshoot, avoid, and complete your projects easily. Not merely will it enable you to attain your required final results faster, but in addition make the entire procedure easier for everyone. This book can demonstrate to be the ideal tool for all individuals who want to develop a well-organized and well-planned working surroundings.
Gallery 96 Jeep Grand Cherokee Radio Wiring Diagram Factory Stereo – 2005 Jeep Grand Cherokee Radio Wiring Diagram
Wiring Diagram arrives with a number of easy to stick to Wiring Diagram Guidelines. It really is intended to help each of the average person in creating a correct system. These directions will be easy to grasp and implement. Using this guide, you may be in a position to see how each and every element ought to be connected and also the exact steps you ought to take as a way to effectively total a specific activity.
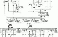
Wiring Diagram For 1999 Jeep Grand Cherokee – Wiring Diagrams Hubs – 2005 Jeep Grand Cherokee Radio Wiring Diagram
Wiring Diagram includes numerous detailed illustrations that present the relationship of assorted things. It includes guidelines and diagrams for different types of wiring methods along with other things like lights, home windows, and so forth. The e-book features a lot of practical techniques for numerous circumstances that you might encounter if you’re working with wiring issues. Every one of such suggestions are illustrated with sensible illustrations.
Xj Fuse Box | Wiring Diagram – 2005 Jeep Grand Cherokee Radio Wiring Diagram
Wiring Diagram not merely offers comprehensive illustrations of everything you can perform, but in addition the methods you should follow although doing so. Not merely are you able to discover different diagrams, however, you can also get step-by-step directions for any certain project or matter that you would prefer to know more about. It’s going to permit you to definitely grasp different ways to complex issues.
Wiring Diagram For 1999 Jeep Grand Cherokee – Wiring Diagrams Hubs – 2005 Jeep Grand Cherokee Radio Wiring Diagram
Furthermore, Wiring Diagram provides you with time body in which the tasks are for being finished. You’ll be capable to learn exactly when the assignments should be finished, that makes it easier to suit your needs to correctly handle your time and efforts.
Gallery 96 Jeep Grand Cherokee Radio Wiring Diagram Factory Stereo – 2005 Jeep Grand Cherokee Radio Wiring Diagram
Wiring diagram also offers beneficial suggestions for assignments which may demand some additional gear. This book even contains suggestions for extra supplies that you may want in order to complete your assignments. It will be able to offer you with further equipment like conductive tape, screwdrivers, wire nuts, etc. It will also consist of materials you may need to total easy assignments.
Wiring Diagram For 1999 Jeep Grand Cherokee – Wiring Diagrams Hubs – 2005 Jeep Grand Cherokee Radio Wiring Diagram
Wiring Diagram consists of each illustrations and step-by-step directions that will allow you to actually develop your project. This really is useful for the two the folks and for experts who’re seeking for more information on how to set up a working surroundings. Wiring Diagrams are designed to be easy to understand and easy to construct. You can find this manual easy to utilize and also very cost-effective.
Nissan 350Z Radio Wiring Diagram | Wiring Diagram – 2005 Jeep Grand Cherokee Radio Wiring Diagram
You are able to usually rely on Wiring Diagram being an important reference that can enable you to preserve time and money. With the assist of the book, you’ll be able to effortlessly do your personal wiring tasks. It doesn’t matter what you will need it for, you’ll be able to always discover a listing of different supplies that you’ll want to perform a task. In addition, this e-book gives sensible ideas for a lot of various projects that you simply will probably be in a position to complete.
Gallery 96 Jeep Grand Cherokee Radio Wiring Diagram Factory Stereo – 2005 Jeep Grand Cherokee Radio Wiring Diagram
