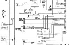
Gmc Truck Wiring Diagrams On Gm Wiring Harness Diagram 88 98 | Kc – Chevy Wiring Harness Diagram

Gmc Truck Wiring Diagrams On Gm Wiring Harness Diagram 88 98 | Kc – Chevy Wiring Harness Diagram

chevy wiring harness diagram – You will need a comprehensive, expert, and easy to know Wiring Diagram. With this kind of an illustrative manual, you’ll be capable of troubleshoot, avoid, and total your tasks easily. Not merely will it assist you to attain your desired results more quickly, but additionally make the whole method easier for everyone. This guide can demonstrate to be the ideal tool for all individuals who wish to create a well-organized and well-planned operating surroundings.

2008 Chevy 2500Hd Wiring Diagram - Data Wiring Diagram Schematic - Chevy Wiring Harness Diagram

2008 Chevy 2500Hd Wiring Diagram – Data Wiring Diagram Schematic – Chevy Wiring Harness Diagram

Wiring Diagram will come with a number of easy to follow Wiring Diagram Instructions. It is supposed to help all the common person in creating a correct program. These instructions will probably be easy to grasp and apply. Using this guidebook, you will be able to find out how each and every element should be connected and the precise actions you should get to be able to successfully total a certain task.

Chevy Wiring Diagrams - Chevy Wiring Harness Diagram

Chevy Wiring Diagrams – Chevy Wiring Harness Diagram

Wiring Diagram includes several detailed illustrations that show the relationship of various items. It includes guidelines and diagrams for various types of wiring strategies and other things like lights, windows, etc. The guide incorporates a lot of practical strategies for different circumstances that you could come across when you are dealing with wiring issues. Every one of such suggestions are illustrated with practical examples.

Chevy Wiring Diagrams - Chevy Wiring Harness Diagram

Chevy Wiring Diagrams – Chevy Wiring Harness Diagram

Wiring Diagram not merely gives detailed illustrations of what you can perform, but additionally the methods you ought to follow although performing so. Not merely can you discover various diagrams, however you may also get step-by-step instructions to get a specific venture or matter that you’d prefer to know more about. It’s going to enable you to definitely learn various methods to complicated issues.

Chevy Wiring Diagrams - Chevy Wiring Harness Diagram

Chevy Wiring Diagrams – Chevy Wiring Harness Diagram

Additionally, Wiring Diagram gives you enough time frame during which the tasks are to become completed. You will be capable to understand precisely once the tasks needs to be accomplished, which makes it much simpler to suit your needs to effectively handle your time and efforts.

Gmc Truck Wiring Diagrams On Gm Wiring Harness Diagram 88 98 | Kc - Chevy Wiring Harness Diagram

Gmc Truck Wiring Diagrams On Gm Wiring Harness Diagram 88 98 | Kc – Chevy Wiring Harness Diagram

Wiring diagram also provides helpful suggestions for assignments which may need some additional equipment. This e-book even includes ideas for extra provides that you may want in order to end your assignments. It will be able to offer you with extra tools like conductive tape, screwdrivers, wire nuts, and so on. It’s going to also include materials you might have to complete straightforward assignments.

Repair Guides | Wiring Diagrams | Wiring Diagrams | Autozone - Chevy Wiring Harness Diagram

Repair Guides | Wiring Diagrams | Wiring Diagrams | Autozone – Chevy Wiring Harness Diagram

Wiring Diagram contains both examples and step-by-step guidelines that will permit you to actually construct your undertaking. This can be helpful for each the people and for specialists that are looking to find out more regarding how to established up a functioning atmosphere. Wiring Diagrams are made to be easy to know and easy to create. You’ll be able to locate this manual easy to use and also very inexpensive.

Repair Guides | Wiring Diagrams | Wiring Diagrams | Autozone - Chevy Wiring Harness Diagram

Repair Guides | Wiring Diagrams | Wiring Diagrams | Autozone – Chevy Wiring Harness Diagram

You are able to always count on Wiring Diagram being an important reference that can help you preserve time and money. Using the aid of the book, you’ll be able to effortlessly do your own personal wiring tasks. No matter what you need it for, you’ll be able to usually locate a list of different provides that you will want to perform a activity. Moreover, this e-book offers sensible recommendations for many distinct tasks that you simply will likely be able to finish.

Chevy Wiring Diagrams - Chevy Wiring Harness Diagram

Chevy Wiring Diagrams – Chevy Wiring Harness Diagram

Watch The Video of chevy wiring harness diagram