2006 Cub Cadet Rzt 50 Wiring Diagram | Wiring Diagram – Cub Cadet Rzt 50 Wiring Diagram

2006 Cub Cadet Rzt 50 Wiring Diagram | Wiring Diagram – Cub Cadet Rzt 50 Wiring Diagram

cub cadet rzt 50 wiring diagram – You will want a comprehensive, professional, and easy to understand Wiring Diagram. With this sort of an illustrative guidebook, you’ll have the ability to troubleshoot, stop, and complete your projects without difficulty. Not merely will it assist you to achieve your desired outcomes more quickly, but additionally make the complete process simpler for everybody. This guide can demonstrate to become the perfect tool for all these who desire to create a well-organized and well-planned functioning surroundings.

Wiring Diagram For Cub Cadet Rzt 50 | Wiring Library - Cub Cadet Rzt 50 Wiring Diagram

Wiring Diagram For Cub Cadet Rzt 50 | Wiring Library – Cub Cadet Rzt 50 Wiring Diagram

Wiring Diagram comes with numerous easy to adhere to Wiring Diagram Guidelines. It is intended to help all of the average user in developing a proper system. These instructions will be easy to understand and apply. With this guidebook, you’ll be in a position to determine how every element needs to be connected and the precise steps you need to get as a way to effectively total a certain task.

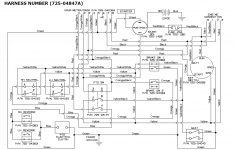
Wiring Diagram For Cub Cadet Zero Turn - Wiring Diagrams Hubs - Cub Cadet Rzt 50 Wiring Diagram

Wiring Diagram For Cub Cadet Zero Turn – Wiring Diagrams Hubs – Cub Cadet Rzt 50 Wiring Diagram

Wiring Diagram consists of several detailed illustrations that present the link of varied items. It contains guidelines and diagrams for various kinds of wiring methods along with other items like lights, windows, and so forth. The guide incorporates a great deal of sensible strategies for different situations that you might experience when you’re dealing with wiring problems. Each one of these suggestions are illustrated with practical illustrations.

2006 Cub Cadet Ztr 50 Wiring Diagram | Wiring Library - Cub Cadet Rzt 50 Wiring Diagram

2006 Cub Cadet Ztr 50 Wiring Diagram | Wiring Library – Cub Cadet Rzt 50 Wiring Diagram

Wiring Diagram not merely offers detailed illustrations of whatever you can do, but also the methods you ought to follow whilst carrying out so. Not only can you discover different diagrams, but you also can get step-by-step instructions for any certain undertaking or matter that you’d wish to know more details on. It will permit you to learn various methods to sophisticated concerns.

2006 Cub Cadet Rzt 50 Wiring Diagram | Wiring Diagram - Cub Cadet Rzt 50 Wiring Diagram

2006 Cub Cadet Rzt 50 Wiring Diagram | Wiring Diagram – Cub Cadet Rzt 50 Wiring Diagram

Additionally, Wiring Diagram provides you with enough time frame during which the projects are for being completed. You may be in a position to know specifically when the projects should be completed, which makes it much easier for you to correctly manage your time.

2006 Cub Cadet Ztr 50 Wiring Diagram | Wiring Library - Cub Cadet Rzt 50 Wiring Diagram

2006 Cub Cadet Ztr 50 Wiring Diagram | Wiring Library – Cub Cadet Rzt 50 Wiring Diagram

Wiring diagram also offers useful suggestions for projects which may demand some additional tools. This book even consists of recommendations for added provides that you may want in order to end your projects. It will be able to provide you with further equipment like conductive tape, screwdrivers, wire nuts, etc. It will also contain provides you may need to full straightforward assignments.

Cub Cadet Zero Turn Rzt 50 17Aicacp603 (2015) Wiring Diagram Spareparts - Cub Cadet Rzt 50 Wiring Diagram

Cub Cadet Zero Turn Rzt 50 17Aicacp603 (2015) Wiring Diagram Spareparts – Cub Cadet Rzt 50 Wiring Diagram

Wiring Diagram includes each illustrations and step-by-step instructions that will enable you to truly develop your project. This really is beneficial for the two the individuals and for experts who’re searching for more information regarding how to set up a operating atmosphere. Wiring Diagrams are made to be easy to know and easy to build. You’ll be able to locate this guidebook easy to use as well as extremely cost-effective.

Wire Schematic For A Cub Cadet Rzt 50 | Wiring Diagram - Cub Cadet Rzt 50 Wiring Diagram

Wire Schematic For A Cub Cadet Rzt 50 | Wiring Diagram – Cub Cadet Rzt 50 Wiring Diagram

You’ll be able to always count on Wiring Diagram as an crucial reference that may help you conserve time and cash. Using the aid of the book, you are able to effortlessly do your own wiring projects. No matter what you need it for, you are able to often find a listing of different supplies that you’ll want to perform a job. In addition, this guide offers practical recommendations for many distinct tasks that you simply will probably be able to accomplish.

Cub Cadet Rzt 50 Wiring Diagram | Wiring Diagram - Cub Cadet Rzt 50 Wiring Diagram

Cub Cadet Rzt 50 Wiring Diagram | Wiring Diagram – Cub Cadet Rzt 50 Wiring Diagram

Watch The Video of cub cadet rzt 50 wiring diagram