Wiring Power Trailer Brakes – Design Of Electrical Circuit & Wiring – Dodge Trailer Brake Controller Wiring Diagram

Wiring Power Trailer Brakes – Design Of Electrical Circuit & Wiring – Dodge Trailer Brake Controller Wiring Diagram

dodge trailer brake controller wiring diagram – You will need a comprehensive, professional, and easy to comprehend Wiring Diagram. With this kind of an illustrative guide, you are going to have the ability to troubleshoot, stop, and complete your assignments without difficulty. Not just will it assist you to achieve your required results faster, but additionally make the entire procedure simpler for everyone. This book can show to become the ideal instrument for all those who desire to develop a well-organized and well-planned operating environment.

2011 Dodge, Trailer Brake Wiring Diagram Most Excellent Dodge - Dodge Trailer Brake Controller Wiring Diagram

2011 Dodge, Trailer Brake Wiring Diagram Most Excellent Dodge – Dodge Trailer Brake Controller Wiring Diagram

Wiring Diagram arrives with several easy to stick to Wiring Diagram Instructions. It’s meant to help all of the typical user in developing a correct system. These directions will likely be easy to grasp and apply. With this particular guidebook, you may be in a position to determine how every component needs to be related as well as the actual actions you ought to take in order to effectively total a certain task.

Compare Tekonsha Voyager Vs Tekonsha Primus | Etrailer - Dodge Trailer Brake Controller Wiring Diagram

Compare Tekonsha Voyager Vs Tekonsha Primus | Etrailer – Dodge Trailer Brake Controller Wiring Diagram

Wiring Diagram consists of numerous comprehensive illustrations that display the relationship of assorted things. It consists of directions and diagrams for various varieties of wiring strategies and other products like lights, home windows, etc. The e-book incorporates a great deal of sensible techniques for numerous scenarios that you may encounter when you’re working with wiring issues. Every one of these ideas are illustrated with useful illustrations.

Curt Brake Controller Wiring Diagram | Wiring Diagram - Dodge Trailer Brake Controller Wiring Diagram

Curt Brake Controller Wiring Diagram | Wiring Diagram – Dodge Trailer Brake Controller Wiring Diagram

Wiring Diagram not just offers detailed illustrations of whatever you can perform, but additionally the processes you ought to stick to although doing so. Not only are you able to locate various diagrams, however, you also can get step-by-step directions for a particular venture or matter that you’d wish to know more about. It’s going to allow you to learn various ways to complex issues.

2015 Trailer Brake Controller Pigtail, Included With Truck? - Dodge Trailer Brake Controller Wiring Diagram

2015 Trailer Brake Controller Pigtail, Included With Truck? – Dodge Trailer Brake Controller Wiring Diagram

Additionally, Wiring Diagram gives you time frame in which the tasks are to become finished. You will be able to learn exactly once the assignments should be accomplished, that makes it much easier for you personally to effectively control your time.

Electric Trailer Brake Controller Wiring Diagram Book Of Dodge - Dodge Trailer Brake Controller Wiring Diagram

Electric Trailer Brake Controller Wiring Diagram Book Of Dodge – Dodge Trailer Brake Controller Wiring Diagram

Wiring diagram also provides beneficial ideas for projects that might require some additional equipment. This book even includes ideas for added materials that you could need in order to complete your tasks. It will likely be capable to supply you with extra equipment like conductive tape, screwdrivers, wire nuts, and so on. It will also contain supplies you may must complete easy projects.

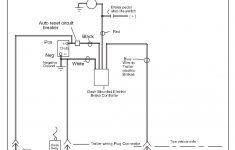
Wiring Power Trailer Brakes - Design Of Electrical Circuit & Wiring - Dodge Trailer Brake Controller Wiring Diagram

Wiring Power Trailer Brakes – Design Of Electrical Circuit & Wiring – Dodge Trailer Brake Controller Wiring Diagram

Wiring Diagram includes the two examples and step-by-step instructions that would allow you to definitely actually build your project. This really is beneficial for each the folks and for experts who’re searching for more information on how to established up a operating environment. Wiring Diagrams are designed to be easy to understand and easy to create. You’ll be able to find this guide easy to utilize and in addition really inexpensive.

Jeep Xj Trailer Brake Wiring | Wiring Diagram - Dodge Trailer Brake Controller Wiring Diagram

Jeep Xj Trailer Brake Wiring | Wiring Diagram – Dodge Trailer Brake Controller Wiring Diagram

You’ll be able to often depend on Wiring Diagram as an important reference that will help you conserve time and money. With all the help of the guide, you’ll be able to very easily do your personal wiring assignments. It doesn’t matter what you’ll need it for, you are able to often find a list of distinct materials that you will need to perform a job. Furthermore, this guide gives practical suggestions for several distinct assignments which you will be capable to complete.

Dodge Trailer Ke Controller Wiring - Wiring Diagrams Thumbs - Dodge Trailer Brake Controller Wiring Diagram

Dodge Trailer Ke Controller Wiring – Wiring Diagrams Thumbs – Dodge Trailer Brake Controller Wiring Diagram

Watch The Video of dodge trailer brake controller wiring diagram