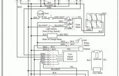
Ezgo Light Wiring Diagram | Wiring Diagram – Ez Go Golf Cart Battery Wiring Diagram

Ezgo Light Wiring Diagram | Wiring Diagram – Ez Go Golf Cart Battery Wiring Diagram

ez go golf cart battery wiring diagram – You will want a comprehensive, expert, and easy to understand Wiring Diagram. With this kind of an illustrative guidebook, you will be able to troubleshoot, avoid, and full your projects without difficulty. Not only will it enable you to attain your required outcomes faster, but in addition make the complete method less difficult for everyone. This guide can show for being the ideal tool for all those who desire to create a well-organized and well-planned working surroundings.

Cushman Golf Cart 36 Volt Wiring Diagram 1974 To | Wiring Library - Ez Go Golf Cart Battery Wiring Diagram

Cushman Golf Cart 36 Volt Wiring Diagram 1974 To | Wiring Library – Ez Go Golf Cart Battery Wiring Diagram

Wiring Diagram will come with numerous easy to adhere to Wiring Diagram Instructions. It is supposed to assist each of the typical user in developing a suitable program. These guidelines will probably be easy to comprehend and use. With this guide, you’ll be in a position to find out how every component ought to be connected as well as the actual steps you ought to get as a way to effectively full a specific activity.

Ezgo Heavy Duty Battery Cable Upgrade | How To Install Golf Cart - Ez Go Golf Cart Battery Wiring Diagram

Ezgo Heavy Duty Battery Cable Upgrade | How To Install Golf Cart – Ez Go Golf Cart Battery Wiring Diagram

Wiring Diagram consists of numerous comprehensive illustrations that present the relationship of assorted things. It consists of guidelines and diagrams for different varieties of wiring techniques along with other items like lights, windows, etc. The e-book incorporates a large amount of sensible techniques for various circumstances that you might come across if you’re working with wiring difficulties. Each and every one of those ideas are illustrated with sensible examples.

Club Golf Cart Fuse Diagram - Wiring Diagram Detailed - Ez Go Golf Cart Battery Wiring Diagram

Club Golf Cart Fuse Diagram – Wiring Diagram Detailed – Ez Go Golf Cart Battery Wiring Diagram

Wiring Diagram not merely offers comprehensive illustrations of everything you can do, but also the processes you need to adhere to whilst doing so. Not just can you discover various diagrams, however you also can get step-by-step directions to get a particular project or subject that you would prefer to know more details on. It will enable you to definitely grasp various ways to complicated concerns.

Golf Cart Battery Wiring Diagram Ez Go | Manual E-Books - Ez Go Golf Cart Battery Wiring Diagram

Golf Cart Battery Wiring Diagram Ez Go | Manual E-Books – Ez Go Golf Cart Battery Wiring Diagram

Furthermore, Wiring Diagram provides you with enough time body in which the assignments are to be completed. You may be in a position to understand exactly once the projects needs to be accomplished, that makes it easier for you personally to properly handle your time.

Ezgo Light Wiring Diagram | Wiring Diagram - Ez Go Golf Cart Battery Wiring Diagram

Ezgo Light Wiring Diagram | Wiring Diagram – Ez Go Golf Cart Battery Wiring Diagram

Wiring diagram also provides useful ideas for assignments that may need some added gear. This e-book even includes ideas for additional supplies that you may need as a way to complete your tasks. It will likely be able to supply you with further gear like conductive tape, screwdrivers, wire nuts, and so forth. It’s going to also consist of provides you could need to full straightforward projects.

How To Install E-Z-Go 4-Gauge Battery Wire Pack - Youtube - Ez Go Golf Cart Battery Wiring Diagram

How To Install E-Z-Go 4-Gauge Battery Wire Pack – Youtube – Ez Go Golf Cart Battery Wiring Diagram

Wiring Diagram consists of each examples and step-by-step guidelines that would allow you to actually develop your venture. This is useful for each the people and for experts who are seeking to learn more on how to set up a working surroundings. Wiring Diagrams are designed to be easy to understand and easy to build. You’ll be able to find this manual easy to make use of as well as very inexpensive.

92 Cougar Wiring Diagram - Today Wiring Diagram - Ez Go Golf Cart Battery Wiring Diagram

92 Cougar Wiring Diagram – Today Wiring Diagram – Ez Go Golf Cart Battery Wiring Diagram

You are able to usually count on Wiring Diagram as an essential reference that will assist you to conserve time and money. With all the help of this guide, you can effortlessly do your own wiring tasks. No matter what you will need it for, you are able to always discover a list of different supplies that you’ll want to accomplish a task. Moreover, this guide gives practical ideas for many various assignments that you simply will probably be capable to finish.

Ezgo Light Wiring Diagram | Wiring Diagram - Ez Go Golf Cart Battery Wiring Diagram

Ezgo Light Wiring Diagram | Wiring Diagram – Ez Go Golf Cart Battery Wiring Diagram

Watch The Video of ez go golf cart battery wiring diagram