Ezgo Txt Wiring Diagram For Key Switch – Wiring Diagrams Hubs – Ezgo Txt Wiring Diagram

Ezgo Txt Wiring Diagram For Key Switch – Wiring Diagrams Hubs – Ezgo Txt Wiring Diagram

ezgo txt wiring diagram – You will need a comprehensive, expert, and easy to understand Wiring Diagram. With this sort of an illustrative manual, you will be capable of troubleshoot, prevent, and full your tasks with ease. Not merely will it assist you to accomplish your required outcomes quicker, but also make the complete procedure easier for everyone. This e-book can prove for being the ideal device for all individuals who wish to produce a well-organized and well-planned working environment.

Ez Go Txt 36 Volt Wiring Diagram - Mikulskilawoffices - Ezgo Txt Wiring Diagram

Ez Go Txt 36 Volt Wiring Diagram – Mikulskilawoffices – Ezgo Txt Wiring Diagram

Wiring Diagram arrives with several easy to adhere to Wiring Diagram Guidelines. It is meant to assist each of the average person in creating a correct program. These directions will probably be easy to grasp and apply. With this particular guide, you’ll be in a position to see how each part ought to be linked and the exact actions you need to consider as a way to successfully total a specific task.

Ez Go Txt Wiring Diagram 36 Volt | Manual E-Books - Ezgo Txt Wiring Diagram

Ez Go Txt Wiring Diagram 36 Volt | Manual E-Books – Ezgo Txt Wiring Diagram

Wiring Diagram consists of numerous comprehensive illustrations that show the connection of varied things. It includes instructions and diagrams for various kinds of wiring strategies as well as other items like lights, home windows, etc. The book includes a lot of useful techniques for numerous circumstances that you might experience if you’re dealing with wiring difficulties. Every one of those tips are illustrated with sensible examples.

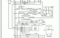
Ezgo Txt Wiring Diagram For Key Switch - Wiring Diagrams Hubs - Ezgo Txt Wiring Diagram

Ezgo Txt Wiring Diagram For Key Switch – Wiring Diagrams Hubs – Ezgo Txt Wiring Diagram

Wiring Diagram not merely gives detailed illustrations of whatever you can do, but also the procedures you need to follow whilst doing so. Not merely is it possible to find various diagrams, however you also can get step-by-step directions for a specific venture or matter that you’d prefer to know more details on. It will enable you to learn distinct ways to complicated problems.

Ezgo Txt Wiring Diagram For Key Switch - Wiring Diagrams Hubs - Ezgo Txt Wiring Diagram

Ezgo Txt Wiring Diagram For Key Switch – Wiring Diagrams Hubs – Ezgo Txt Wiring Diagram

Furthermore, Wiring Diagram provides you with the time body in which the tasks are to become accomplished. You’ll be capable to understand specifically if the assignments ought to be completed, that makes it easier to suit your needs to correctly manage your time.

Ezgo Txt Wiring Diagram Club Car Ds Ez 36 Volt Buggies Parts Within - Ezgo Txt Wiring Diagram

Ezgo Txt Wiring Diagram Club Car Ds Ez 36 Volt Buggies Parts Within – Ezgo Txt Wiring Diagram

Wiring diagram also provides helpful recommendations for tasks which may need some added tools. This book even contains recommendations for extra materials that you could require to be able to end your projects. It will likely be capable to offer you with further equipment like conductive tape, screwdrivers, wire nuts, and so forth. It’ll also include materials you could must complete straightforward projects.

Ezgo Txt Wiring Diagram Volovets Info For On Ezgo Txt Wiring Diagram - Ezgo Txt Wiring Diagram

Ezgo Txt Wiring Diagram Volovets Info For On Ezgo Txt Wiring Diagram – Ezgo Txt Wiring Diagram

Wiring Diagram consists of each illustrations and step-by-step directions that would enable you to definitely actually build your undertaking. This can be helpful for the two the individuals and for professionals who are seeking to learn more regarding how to established up a operating surroundings. Wiring Diagrams are created to be easy to understand and easy to build. You’ll be able to discover this guidebook easy to utilize and also extremely cost-effective.

Wiring Diagram Ezgo Golf Cart Ez Go At Electric - Wiring Diagrams - Ezgo Txt Wiring Diagram

Wiring Diagram Ezgo Golf Cart Ez Go At Electric – Wiring Diagrams – Ezgo Txt Wiring Diagram

You are able to often count on Wiring Diagram being an essential reference that may enable you to conserve time and money. Using the assist of this e-book, you are able to easily do your own personal wiring tasks. No matter what you will need it for, you are able to often locate a list of various provides that you will need to perform a job. In addition, this e-book gives practical suggestions for several various assignments that you will probably be capable to complete.

36 Volt Club Car Golf Cart Wiring Diagram Unique Ezgo Txt 36 Volt - Ezgo Txt Wiring Diagram

36 Volt Club Car Golf Cart Wiring Diagram Unique Ezgo Txt 36 Volt – Ezgo Txt Wiring Diagram

Watch The Video of ezgo txt wiring diagram