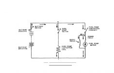
Figure 1.12. Schematic Wiring Diagram Fuel Pump Motor Circuit – Fuel Pump Wiring Diagram

Figure 1.12. Schematic Wiring Diagram Fuel Pump Motor Circuit – Fuel Pump Wiring Diagram

fuel pump wiring diagram – You will want an extensive, skilled, and easy to comprehend Wiring Diagram. With this kind of an illustrative manual, you’ll be capable of troubleshoot, stop, and complete your projects without difficulty. Not merely will it assist you to achieve your desired results quicker, but in addition make the complete process simpler for everyone. This book can demonstrate to be the perfect instrument for all those who wish to produce a well-organized and well-planned functioning environment.

Gmc Pickup Wiring Diagrams | Wiring Library - Fuel Pump Wiring Diagram

Gmc Pickup Wiring Diagrams | Wiring Library – Fuel Pump Wiring Diagram

Wiring Diagram comes with several easy to adhere to Wiring Diagram Directions. It’s supposed to assist all of the typical person in creating a proper system. These guidelines will likely be easy to understand and implement. With this manual, you’ll be able to find out how every component needs to be linked as well as the exact actions you ought to get to be able to efficiently full a particular job.

Fuel Pump Electrical Circuits Description And Operation - Youtube - Fuel Pump Wiring Diagram

Fuel Pump Electrical Circuits Description And Operation – Youtube – Fuel Pump Wiring Diagram

Wiring Diagram consists of several detailed illustrations that show the connection of assorted things. It contains directions and diagrams for various varieties of wiring strategies along with other items like lights, windows, and so forth. The e-book features a lot of useful techniques for various situations that you may encounter when you are working with wiring issues. Every one of those suggestions are illustrated with sensible examples.

Chevrolet Camaro Questions - What Fuse Operates The Fuel Pump On An - Fuel Pump Wiring Diagram

Chevrolet Camaro Questions – What Fuse Operates The Fuel Pump On An – Fuel Pump Wiring Diagram

Wiring Diagram not only gives detailed illustrations of everything you can do, but additionally the procedures you ought to adhere to while performing so. Not only are you able to discover different diagrams, however, you can also get step-by-step guidelines to get a particular undertaking or subject that you’d like to know more details on. It will allow you to definitely grasp distinct ways to sophisticated concerns.

I Have 2005 Dodge Durango The Fuel Pump Is Not Comeing On I Check - Fuel Pump Wiring Diagram

I Have 2005 Dodge Durango The Fuel Pump Is Not Comeing On I Check – Fuel Pump Wiring Diagram

In addition, Wiring Diagram gives you the time body by which the assignments are for being accomplished. You’ll be able to know specifically once the tasks should be accomplished, which makes it much simpler for you personally to properly control your time.

Figure 1.12. Schematic Wiring Diagram Fuel Pump Motor Circuit - Fuel Pump Wiring Diagram

Figure 1.12. Schematic Wiring Diagram Fuel Pump Motor Circuit – Fuel Pump Wiring Diagram

Wiring diagram also gives useful suggestions for tasks that might need some additional gear. This e-book even consists of ideas for added supplies that you might want in order to end your assignments. It will likely be in a position to provide you with further equipment like conductive tape, screwdrivers, wire nuts, etc. It’s going to also contain supplies you could have to complete simple tasks.

Wanted: Fuel Pump Wiring Schematic - Ls1Tech - Camaro And Firebird - Fuel Pump Wiring Diagram

Wanted: Fuel Pump Wiring Schematic – Ls1Tech – Camaro And Firebird – Fuel Pump Wiring Diagram

Wiring Diagram includes the two examples and step-by-step guidelines that might enable you to definitely actually build your venture. This can be beneficial for each the individuals and for specialists that are looking to learn more regarding how to set up a functioning environment. Wiring Diagrams are made to be easy to comprehend and easy to construct. You can discover this guidebook easy to use as well as very cost-effective.

Fuel Pump Wiring Help - Fuel Pump Wiring Diagram

Fuel Pump Wiring Help – Fuel Pump Wiring Diagram

You can always depend on Wiring Diagram as an essential reference that may help you save time and money. With all the aid of this e-book, you can effortlessly do your own wiring projects. Regardless of what you will need it for, you can usually locate a listing of distinct provides that you will want to perform a task. Moreover, this guide gives useful ideas for a lot of different projects that you will likely be able to accomplish.

Fuel Pump Install Wiring Instructions - Fuel Pump Wiring Diagram

Fuel Pump Install Wiring Instructions – Fuel Pump Wiring Diagram

Watch The Video of fuel pump wiring diagram