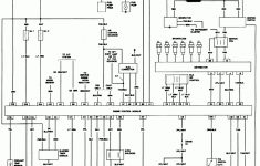
S10 Wiring Diagram Pdf – Wiring Diagram Data Oreo – Gm Alternator Wiring Diagram

S10 Wiring Diagram Pdf – Wiring Diagram Data Oreo – Gm Alternator Wiring Diagram

gm alternator wiring diagram – You will want a comprehensive, skilled, and easy to comprehend Wiring Diagram. With such an illustrative manual, you’ll have the ability to troubleshoot, prevent, and full your projects with ease. Not merely will it enable you to achieve your required final results quicker, but additionally make the complete method easier for everyone. This guide can show to be the perfect device for all those who desire to develop a well-organized and well-planned working environment.

Gm Ato Style Fuse Block - Gm Alternator Wiring Diagram

Gm Ato Style Fuse Block – Gm Alternator Wiring Diagram

Wiring Diagram arrives with numerous easy to follow Wiring Diagram Directions. It is intended to assist all the typical person in building a correct method. These instructions will likely be easy to comprehend and implement. With this particular manual, you’ll be capable to determine how each part should be linked and also the actual steps you need to consider in order to successfully complete a certain task.

80 Corvette Wiring Diagram - Wiring Block Diagram - Gm Alternator Wiring Diagram

80 Corvette Wiring Diagram – Wiring Block Diagram – Gm Alternator Wiring Diagram

Wiring Diagram contains numerous in depth illustrations that show the link of varied products. It consists of directions and diagrams for different varieties of wiring methods and other things like lights, windows, and so forth. The e-book incorporates a great deal of practical techniques for numerous situations that you may encounter if you’re working with wiring problems. Each and every one of such suggestions are illustrated with sensible examples.

Gm Alt Wiring | Wiring Library - Gm Alternator Wiring Diagram

Gm Alt Wiring | Wiring Library – Gm Alternator Wiring Diagram

Wiring Diagram not only offers detailed illustrations of everything you can perform, but in addition the methods you should adhere to although doing so. Not only is it possible to discover various diagrams, however you can also get step-by-step directions for a certain undertaking or subject that you would wish to know more details on. It’ll enable you to learn distinct approaches to complex concerns.

Gm Stereo Wiring - Wiring Diagram Detailed - Gm Alternator Wiring Diagram

Gm Stereo Wiring – Wiring Diagram Detailed – Gm Alternator Wiring Diagram

In addition, Wiring Diagram provides you with the time body by which the tasks are to become completed. You may be able to understand precisely when the tasks ought to be finished, which makes it much easier for you to properly manage your time.

Three Wire Gm Alternator Wiring Diagram | Wiring Library - Gm Alternator Wiring Diagram

Three Wire Gm Alternator Wiring Diagram | Wiring Library – Gm Alternator Wiring Diagram

Wiring diagram also provides helpful ideas for assignments that might demand some additional equipment. This e-book even includes ideas for additional materials that you might want to be able to end your tasks. It will likely be capable to offer you with extra gear like conductive tape, screwdrivers, wire nuts, and so forth. It will also include materials you may need to total simple tasks.

S10 Wiring Diagram Pdf - Wiring Diagram Data Oreo - Gm Alternator Wiring Diagram

S10 Wiring Diagram Pdf – Wiring Diagram Data Oreo – Gm Alternator Wiring Diagram

Wiring Diagram consists of each illustrations and step-by-step guidelines that will permit you to actually develop your project. This is useful for both the people and for experts who are searching to learn more on how to set up a working atmosphere. Wiring Diagrams are designed to be easy to comprehend and easy to create. You are able to find this guide easy to use and also extremely affordable.

Chevy 350 Alternator Voltage Regulator Wiring Diagram - Wiring Diagrams - Gm Alternator Wiring Diagram

Chevy 350 Alternator Voltage Regulator Wiring Diagram – Wiring Diagrams – Gm Alternator Wiring Diagram

You’ll be able to often rely on Wiring Diagram as an crucial reference that can help you conserve money and time. Using the help of the e-book, you’ll be able to effortlessly do your own wiring tasks. Regardless of what you’ll need it for, you are able to always locate a listing of various provides that you’ll want to perform a activity. In addition, this e-book provides useful recommendations for a lot of distinct tasks that you simply will probably be in a position to complete.

One Wire Diagram | Wiring Diagram - Gm Alternator Wiring Diagram

One Wire Diagram | Wiring Diagram – Gm Alternator Wiring Diagram

Watch The Video of gm alternator wiring diagram