Wiring Diagram Chrysler Starter Relay | Wiring Library – Mopar Starter Relay Wiring Diagram

Wiring Diagram Chrysler Starter Relay | Wiring Library – Mopar Starter Relay Wiring Diagram

mopar starter relay wiring diagram – You will want an extensive, professional, and easy to know Wiring Diagram. With this kind of an illustrative manual, you are going to have the ability to troubleshoot, prevent, and total your tasks easily. Not only will it enable you to accomplish your desired outcomes quicker, but also make the complete procedure less difficult for everyone. This e-book can show for being the perfect instrument for all those who desire to develop a well-organized and well-planned operating atmosphere.

Starter Solenoid Diagram — Daytonva150 - Mopar Starter Relay Wiring Diagram

Starter Solenoid Diagram — Daytonva150 – Mopar Starter Relay Wiring Diagram

Wiring Diagram comes with several easy to follow Wiring Diagram Directions. It’s supposed to aid all of the common person in creating a proper system. These guidelines will probably be easy to comprehend and apply. Using this manual, you may be capable to find out how every part needs to be related and the precise actions you should take as a way to effectively total a specific activity.

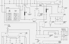
Starter Relay Wiring Diagram 93 - Great Installation Of Wiring Diagram • - Mopar Starter Relay Wiring Diagram

Starter Relay Wiring Diagram 93 – Great Installation Of Wiring Diagram • – Mopar Starter Relay Wiring Diagram

Wiring Diagram consists of numerous in depth illustrations that show the connection of assorted things. It includes guidelines and diagrams for different kinds of wiring strategies and other items like lights, home windows, etc. The book incorporates a lot of practical tips for various circumstances that you might encounter when you’re working with wiring difficulties. Each and every one of those suggestions are illustrated with sensible illustrations.

Mopar Starter Relay Wiring Diagram - Mopar Starter Relay Wiring Diagram

Mopar Starter Relay Wiring Diagram – Mopar Starter Relay Wiring Diagram

Wiring Diagram not only gives in depth illustrations of whatever you can do, but also the procedures you need to follow while doing so. Not merely can you discover various diagrams, however you can also get step-by-step guidelines for any particular venture or topic that you’d like to know more details on. It will allow you to learn different methods to sophisticated problems.

Mopar Starter Relay Wiring Diagram | Wiring Diagram - Mopar Starter Relay Wiring Diagram

Mopar Starter Relay Wiring Diagram | Wiring Diagram – Mopar Starter Relay Wiring Diagram

Additionally, Wiring Diagram provides you with the time frame in which the tasks are to be completed. You will be in a position to know precisely when the tasks needs to be accomplished, that makes it easier for you to correctly manage your time.

Wiring Diagram Chrysler Starter Relay | Wiring Library - Mopar Starter Relay Wiring Diagram

Wiring Diagram Chrysler Starter Relay | Wiring Library – Mopar Starter Relay Wiring Diagram

Wiring diagram also gives helpful suggestions for projects that may demand some extra gear. This guide even contains ideas for additional supplies that you may need to be able to end your assignments. It will be able to supply you with extra gear like conductive tape, screwdrivers, wire nuts, and so forth. It’ll also include supplies you may have to total easy projects.

Starter Relay Wiring Diagram - Hbphelp - Mopar Starter Relay Wiring Diagram

Starter Relay Wiring Diagram – Hbphelp – Mopar Starter Relay Wiring Diagram

Wiring Diagram includes the two examples and step-by-step directions that will allow you to definitely really construct your project. This is helpful for each the people and for professionals that are looking to learn more regarding how to set up a working environment. Wiring Diagrams are made to be easy to understand and easy to construct. You’ll be able to discover this guidebook easy to use and in addition extremely affordable.

Mopar Starter Relay Wiring Diagram | Wiring Diagram - Mopar Starter Relay Wiring Diagram

Mopar Starter Relay Wiring Diagram | Wiring Diagram – Mopar Starter Relay Wiring Diagram

You’ll be able to always rely on Wiring Diagram being an crucial reference that can help you preserve time and cash. With all the assist of this guide, you can effortlessly do your own wiring projects. It doesn’t matter what you need it for, you can often discover a listing of different materials that you’ll want to accomplish a activity. In addition, this book provides sensible suggestions for many different projects that you simply will be able to finish.

Starter Relays Wiring Diagram 1999 Jeep - Great Installation Of - Mopar Starter Relay Wiring Diagram

Starter Relays Wiring Diagram 1999 Jeep – Great Installation Of – Mopar Starter Relay Wiring Diagram

Watch The Video of mopar starter relay wiring diagram