Help, Neutral Safety Switch Wiring – Ls1Tech – Camaro And Firebird – Neutral Safety Switch Wiring Diagram Chevy

Help, Neutral Safety Switch Wiring – Ls1Tech – Camaro And Firebird – Neutral Safety Switch Wiring Diagram Chevy

neutral safety switch wiring diagram chevy – You’ll need an extensive, expert, and easy to comprehend Wiring Diagram. With this kind of an illustrative manual, you’ll have the ability to troubleshoot, prevent, and complete your tasks without difficulty. Not merely will it assist you to accomplish your required final results faster, but also make the whole process easier for everyone. This guide can show for being the right tool for all those who desire to produce a well-organized and well-planned operating atmosphere.

Chevy Nova Neutral Safety Switch Wiring - Youtube - Neutral Safety Switch Wiring Diagram Chevy

Chevy Nova Neutral Safety Switch Wiring – Youtube – Neutral Safety Switch Wiring Diagram Chevy

Wiring Diagram arrives with numerous easy to adhere to Wiring Diagram Directions. It is intended to aid all of the typical consumer in developing a proper program. These instructions will be easy to comprehend and implement. With this particular guidebook, you may be capable to see how each and every element ought to be related and the actual actions you ought to take to be able to effectively full a specific activity.

Polaris 500 Wiring Diagram Neutral Safety Switch | Wiring Library - Neutral Safety Switch Wiring Diagram Chevy

Polaris 500 Wiring Diagram Neutral Safety Switch | Wiring Library – Neutral Safety Switch Wiring Diagram Chevy

Wiring Diagram contains numerous comprehensive illustrations that display the connection of varied things. It includes directions and diagrams for various kinds of wiring methods along with other items like lights, windows, and so on. The guide incorporates a lot of useful techniques for various scenarios that you could experience when you’re working with wiring issues. Each and every one of those tips are illustrated with useful examples.

Help, Neutral Safety Switch Wiring - Ls1Tech - Camaro And Firebird - Neutral Safety Switch Wiring Diagram Chevy

Help, Neutral Safety Switch Wiring – Ls1Tech – Camaro And Firebird – Neutral Safety Switch Wiring Diagram Chevy

Wiring Diagram not only offers detailed illustrations of whatever you can do, but additionally the methods you should adhere to while doing so. Not merely are you able to locate different diagrams, however, you can also get step-by-step instructions for a certain venture or subject that you’d like to know more about. It’ll enable you to definitely learn various methods to complex issues.

Neutral Safety Switch Wiring Diagram Chevy Reverse Lights Question - Neutral Safety Switch Wiring Diagram Chevy

Neutral Safety Switch Wiring Diagram Chevy Reverse Lights Question – Neutral Safety Switch Wiring Diagram Chevy

Furthermore, Wiring Diagram gives you enough time frame during which the projects are for being completed. You will be capable to understand specifically once the projects should be accomplished, that makes it easier for you to effectively manage your time.

Neutral Safety Relay Wiring Diagram | Wiring Library - Neutral Safety Switch Wiring Diagram Chevy

Neutral Safety Relay Wiring Diagram | Wiring Library – Neutral Safety Switch Wiring Diagram Chevy

Wiring diagram also offers useful suggestions for projects that may require some additional gear. This e-book even contains recommendations for added supplies that you might want as a way to finish your tasks. It’ll be able to provide you with additional tools like conductive tape, screwdrivers, wire nuts, etc. It’s going to also contain provides you could must full straightforward projects.

Neutral Safety Switch Wiring Diagram Chevy | Manual E-Books - Neutral Safety Switch Wiring Diagram Chevy

Neutral Safety Switch Wiring Diagram Chevy | Manual E-Books – Neutral Safety Switch Wiring Diagram Chevy

Wiring Diagram includes the two examples and step-by-step directions that will allow you to actually develop your venture. This can be beneficial for both the people and for experts who are looking to find out more regarding how to established up a working atmosphere. Wiring Diagrams are created to be easy to understand and easy to create. You are able to find this guidebook easy to use as well as really affordable.

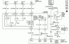
Where Is The Neutral Safety Switch Located At On A 2009 Chevrolet - Neutral Safety Switch Wiring Diagram Chevy

Where Is The Neutral Safety Switch Located At On A 2009 Chevrolet – Neutral Safety Switch Wiring Diagram Chevy

You can often depend on Wiring Diagram being an important reference that will assist you to save money and time. With the aid of the e-book, you can very easily do your own personal wiring tasks. Regardless of what you need it for, you are able to often find a list of distinct materials that you will want to accomplish a task. Moreover, this e-book gives practical ideas for a lot of various assignments which you will likely be able to accomplish.

96 Chevy 1500 Wiring Diagram Neutral Safty Switch | Wiring Diagram - Neutral Safety Switch Wiring Diagram Chevy

96 Chevy 1500 Wiring Diagram Neutral Safty Switch | Wiring Diagram – Neutral Safety Switch Wiring Diagram Chevy

Watch The Video of neutral safety switch wiring diagram chevy