brake lights wiring diagram – You’ll need an extensive, expert, and easy to understand Wiring Diagram. With this kind of an illustrative manual, you are going to be capable of troubleshoot, avoid, and full your assignments without difficulty. Not just will it enable you to achieve your required outcomes faster, but additionally make the whole method easier for everyone. This guide can demonstrate to become the ideal device for all individuals who desire to develop a well-organized and well-planned working atmosphere.
Hazard Switch – Brake Light – Turn Signal Circuit Analysis – Brake Lights Wiring Diagram
Wiring Diagram comes with numerous easy to adhere to Wiring Diagram Instructions. It really is meant to aid all the average user in building a suitable system. These directions will likely be easy to understand and apply. With this particular manual, you may be capable to determine how each part needs to be connected and also the exact steps you need to get in order to effectively full a specific task.
Brake Light Wiring Diagram For 1997 Chevy Lumina – Brake Lights Wiring Diagram
Wiring Diagram contains numerous comprehensive illustrations that present the link of assorted items. It contains guidelines and diagrams for various types of wiring strategies as well as other products like lights, home windows, and so forth. The guide incorporates a great deal of practical strategies for various scenarios that you could experience when you are dealing with wiring difficulties. Each and every one of such suggestions are illustrated with useful examples.
Puch Wiring – Moped Wiki – Brake Lights Wiring Diagram
Wiring Diagram not just gives detailed illustrations of what you can perform, but in addition the processes you ought to stick to while carrying out so. Not only are you able to locate various diagrams, but you may also get step-by-step instructions to get a certain venture or subject that you would like to know more details on. It’s going to permit you to definitely grasp distinct methods to complicated concerns.
Repair Guides | Wiring Diagrams | Wiring Diagrams | Autozone – Brake Lights Wiring Diagram
Furthermore, Wiring Diagram gives you the time frame during which the tasks are to become completed. You will be capable to know precisely when the assignments should be accomplished, that makes it much simpler for you to correctly handle your time and effort.
Repair Guides | Wiring Diagrams | Wiring Diagrams (1 Of 30 – Brake Lights Wiring Diagram
Wiring diagram also offers useful suggestions for assignments that might need some extra equipment. This book even consists of ideas for additional materials that you may require in order to complete your tasks. It will likely be in a position to supply you with additional gear like conductive tape, screwdrivers, wire nuts, and so on. It’s going to also consist of provides you could have to full easy assignments.
Brake Light Switch Wiring Diagram? – Blazer Forum – Chevy Blazer Forums – Brake Lights Wiring Diagram
Wiring Diagram contains both illustrations and step-by-step instructions that would enable you to truly construct your undertaking. This can be beneficial for the two the individuals and for specialists who are seeking to find out more regarding how to set up a operating atmosphere. Wiring Diagrams are designed to be easy to know and easy to build. You are able to locate this guidebook easy to use and also extremely affordable.
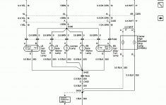
Brake Light Wiring Diagram For 1997 Chevy Lumina – Brake Lights Wiring Diagram
You are able to usually count on Wiring Diagram being an important reference that may enable you to conserve time and cash. With the assist of this guide, you are able to effortlessly do your personal wiring projects. Regardless of what you will need it for, you’ll be able to often locate a listing of various provides that you will want to perform a job. In addition, this guide provides useful recommendations for a lot of various projects which you will be able to accomplish.
Modified Power Wheels – Functional Brake Lights? – Brake Lights Wiring Diagram
