capacitor start motor wiring diagram – You will need an extensive, expert, and easy to understand Wiring Diagram. With such an illustrative guide, you’ll have the ability to troubleshoot, avoid, and complete your assignments without difficulty. Not just will it help you achieve your required results quicker, but in addition make the entire method simpler for everyone. This e-book can demonstrate for being the perfect device for all individuals who want to produce a well-organized and well-planned functioning atmosphere.
Dayton Capacitor Start Motor Wiring Diagram | Manual E-Books – Capacitor Start Motor Wiring Diagram
Wiring Diagram will come with a number of easy to follow Wiring Diagram Guidelines. It really is intended to help all of the common person in developing a correct program. These guidelines will likely be easy to understand and implement. With this guide, you will be capable to determine how every component should be connected as well as the exact actions you ought to take as a way to effectively total a particular job.
Images Of Single Phase Capacitor Start Motor Wiring Diagram Diagrams – Capacitor Start Motor Wiring Diagram
Wiring Diagram includes many comprehensive illustrations that show the connection of assorted products. It contains guidelines and diagrams for various varieties of wiring strategies as well as other items like lights, windows, etc. The guide incorporates a great deal of practical techniques for different circumstances that you might experience when you are working with wiring problems. Each one of these ideas are illustrated with practical illustrations.
Images Of Single Phase Capacitor Start Motor Wiring Diagram Diagrams – Capacitor Start Motor Wiring Diagram
Wiring Diagram not merely offers comprehensive illustrations of what you can do, but also the processes you need to stick to although performing so. Not just are you able to locate various diagrams, however you may also get step-by-step directions for any particular undertaking or matter that you would wish to know more details on. It will allow you to definitely grasp different ways to complicated concerns.
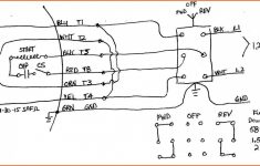
125V Start Capacitor Wiring Diagram – Wiring Block Diagram – Capacitor Start Motor Wiring Diagram
In addition, Wiring Diagram gives you time frame during which the projects are for being completed. You’ll be able to know specifically once the tasks needs to be accomplished, that makes it much simpler for you to correctly control your time.
Images Of Single Phase Capacitor Start Motor Wiring Diagram Diagrams – Capacitor Start Motor Wiring Diagram
Wiring diagram also provides beneficial suggestions for tasks which may require some extra tools. This book even contains suggestions for added provides that you might require as a way to end your assignments. It’ll be capable to offer you with extra gear like conductive tape, screwdrivers, wire nuts, and so on. It will also include supplies you may have to full easy assignments.
Wiring Diagram Of Capacitor Start Motor Copy Electric Webtor – Capacitor Start Motor Wiring Diagram
Wiring Diagram consists of each illustrations and step-by-step instructions that might permit you to truly develop your project. This really is beneficial for each the people and for professionals who’re seeking for more information regarding how to established up a working atmosphere. Wiring Diagrams are made to be easy to know and easy to construct. You’ll be able to locate this manual easy to utilize as well as really cost-effective.
Images Of Single Phase Capacitor Start Motor Wiring Diagram Diagrams – Capacitor Start Motor Wiring Diagram
You are able to often depend on Wiring Diagram being an crucial reference that may help you save money and time. Using the aid of this book, you’ll be able to effortlessly do your own personal wiring projects. It doesn’t matter what you’ll need it for, you are able to usually discover a listing of distinct supplies that you will want to perform a activity. Furthermore, this guide provides sensible suggestions for a lot of different projects that you simply will probably be able to complete.
Single Phase Capacitor Start Capacitor Run Motor Wiring Diagram – Capacitor Start Motor Wiring Diagram
