coleman rv air conditioner wiring diagram – You will want an extensive, skilled, and easy to know Wiring Diagram. With this sort of an illustrative manual, you will be capable of troubleshoot, stop, and full your tasks without difficulty. Not just will it assist you to attain your desired results faster, but in addition make the entire procedure less difficult for everybody. This book can show to become the perfect device for all these who desire to produce a well-organized and well-planned working environment.
30 Rv Wiring Diagram Coleman Mach Thermostat | Wiring Diagram – Coleman Rv Air Conditioner Wiring Diagram
Wiring Diagram arrives with a number of easy to follow Wiring Diagram Guidelines. It really is intended to aid all the common user in developing a suitable program. These guidelines will be easy to understand and implement. With this manual, you will be in a position to see how every element needs to be linked and also the exact actions you ought to consider to be able to effectively full a particular task.
Rv Heat Pump Wiring Diagram | Wiring Library – Coleman Rv Air Conditioner Wiring Diagram
Wiring Diagram includes many comprehensive illustrations that display the connection of various things. It includes guidelines and diagrams for various varieties of wiring techniques and other products like lights, home windows, etc. The guide includes a large amount of useful tips for numerous scenarios that you might experience when you’re working with wiring problems. Each one of these suggestions are illustrated with practical examples.
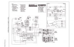
Coleman Rv Air Conditioner Wiring Diagram | Wiring Diagram – Coleman Rv Air Conditioner Wiring Diagram
Wiring Diagram not merely gives comprehensive illustrations of whatever you can perform, but in addition the processes you should follow while performing so. Not only is it possible to discover different diagrams, however, you may also get step-by-step directions to get a certain project or matter that you’d prefer to know more about. It’ll permit you to definitely learn various approaches to complex issues.
Coleman Rv Air Conditioner Wiring Diagram | Wiring Diagram – Coleman Rv Air Conditioner Wiring Diagram
In addition, Wiring Diagram provides you with time frame in which the projects are for being accomplished. You’ll be able to learn precisely once the assignments needs to be completed, that makes it easier for you to correctly manage your time.
Coleman Rv Air Conditioner Wiring Diagram | Wiring Diagram – Coleman Rv Air Conditioner Wiring Diagram
Wiring diagram also provides beneficial recommendations for tasks which may require some additional tools. This guide even includes recommendations for additional supplies that you may require to be able to end your projects. It will likely be capable to supply you with extra tools like conductive tape, screwdrivers, wire nuts, and so on. It will also include provides you could must total simple projects.
Coleman Mach Rv Thermostat Wiring – Data Wiring Diagram Site – Coleman Rv Air Conditioner Wiring Diagram
Wiring Diagram includes both illustrations and step-by-step guidelines that would enable you to truly construct your undertaking. This is helpful for the two the individuals and for specialists who’re searching to learn more on how to established up a functioning surroundings. Wiring Diagrams are designed to be easy to understand and easy to construct. You’ll be able to locate this manual easy to use and in addition extremely affordable.
Coleman Rv Air Conditioner Wiring Diagram | Wiring Diagram – Coleman Rv Air Conditioner Wiring Diagram
You are able to often count on Wiring Diagram as an crucial reference that can assist you to preserve time and cash. With the assist of the guide, you can easily do your own wiring projects. No matter what you’ll need it for, you are able to always find a listing of various supplies that you will want to accomplish a job. In addition, this book provides sensible recommendations for several various assignments that you will probably be in a position to complete.
Coleman Rv Air Conditioner Capacitor Diagrams – Wiring Diagrams – Coleman Rv Air Conditioner Wiring Diagram
