door bell wiring diagram – You will need an extensive, expert, and easy to know Wiring Diagram. With this sort of an illustrative guide, you are going to be capable of troubleshoot, stop, and complete your assignments without difficulty. Not only will it help you attain your desired final results more quickly, but in addition make the entire method easier for everybody. This book can show for being the ideal tool for all these who desire to develop a well-organized and well-planned functioning surroundings.
Doorbell Wiring Diagrams | Diy House Help – Door Bell Wiring Diagram
Wiring Diagram comes with numerous easy to adhere to Wiring Diagram Directions. It really is meant to assist all the average user in building a proper method. These directions will likely be easy to grasp and use. With this manual, you will be in a position to see how each component should be linked as well as the precise steps you should consider to be able to effectively full a certain task.
Doorbell Wiring Diagrams | For The Home | Doorbell Button, Bedroom – Door Bell Wiring Diagram
Wiring Diagram contains numerous comprehensive illustrations that display the link of various items. It consists of guidelines and diagrams for different types of wiring methods and other things like lights, home windows, and so forth. The guide includes a large amount of sensible tips for numerous scenarios that you might encounter if you’re dealing with wiring issues. Each one of those suggestions are illustrated with useful examples.
Doorbell Wiring Diagrams | Vintage Doorbell | Home Electrical Wiring – Door Bell Wiring Diagram
Wiring Diagram not merely provides comprehensive illustrations of everything you can do, but additionally the processes you ought to stick to whilst carrying out so. Not merely are you able to locate different diagrams, however, you may also get step-by-step guidelines for a particular undertaking or subject that you would prefer to know more about. It will allow you to master various approaches to complicated problems.
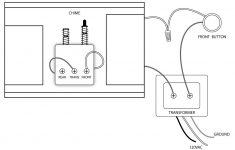
Door Wiring Diagram – Wiring Diagram Blog – Door Bell Wiring Diagram
In addition, Wiring Diagram provides you with enough time body during which the tasks are to become finished. You will be able to know precisely if the assignments should be completed, which makes it much simpler for you to effectively control your time and efforts.
Rittenhouse Door Chime Wiring Diagram – Armotorco | Wiring Diagram – Door Bell Wiring Diagram
Wiring diagram also gives beneficial suggestions for tasks that might demand some additional equipment. This e-book even consists of recommendations for added materials that you might require as a way to complete your assignments. It’ll be able to provide you with further gear like conductive tape, screwdrivers, wire nuts, and so on. It’ll also contain provides you might have to full easy projects.
How To Install A Second Doorbell Chime Wiring Diagram – Youtube – Door Bell Wiring Diagram
Wiring Diagram includes both illustrations and step-by-step directions that will permit you to definitely actually develop your undertaking. This really is beneficial for each the folks and for experts that are looking to find out more on how to established up a operating environment. Wiring Diagrams are made to be easy to comprehend and easy to build. You are able to locate this manual easy to use and also really affordable.
Doorbell Wiring Diagrams | Diy House Help – Door Bell Wiring Diagram
You can often rely on Wiring Diagram as an crucial reference that can enable you to conserve time and money. Using the assist of this e-book, you’ll be able to easily do your personal wiring tasks. Regardless of what you need it for, you can usually find a listing of various materials that you’ll want to perform a task. Moreover, this book gives useful ideas for a lot of distinct tasks that you simply will be able to finish.
Simple How To Wire A Doorbell System Diagram – Youtube – Door Bell Wiring Diagram
