fantastic vent wiring diagram – You will need an extensive, professional, and easy to comprehend Wiring Diagram. With this sort of an illustrative guide, you’ll have the ability to troubleshoot, stop, and full your assignments with ease. Not merely will it help you accomplish your desired outcomes more quickly, but in addition make the complete method less difficult for everyone. This e-book can show to become the ideal tool for all those who desire to develop a well-organized and well-planned functioning surroundings.
Fantastic Vent Fan Wiring Diagram | Wiring Diagram – Fantastic Vent Wiring Diagram
Wiring Diagram comes with several easy to follow Wiring Diagram Guidelines. It’s supposed to assist each of the typical person in creating a correct program. These instructions will probably be easy to comprehend and apply. Using this manual, you will be able to see how each and every part ought to be connected and also the actual actions you should consider as a way to effectively full a certain job.
Fan Wiring Schematic | Schematic Diagram – Fantastic Vent Wiring Diagram
Wiring Diagram consists of many in depth illustrations that display the relationship of various products. It includes directions and diagrams for various kinds of wiring methods as well as other items like lights, windows, and so on. The guide includes a great deal of useful techniques for numerous scenarios that you may encounter if you’re dealing with wiring issues. Each and every one of those ideas are illustrated with sensible examples.
Fantastic Vent Wiring Schematic | Wiring Diagram – Fantastic Vent Wiring Diagram
Wiring Diagram not just offers comprehensive illustrations of whatever you can do, but also the procedures you need to stick to whilst doing so. Not merely are you able to find various diagrams, but you also can get step-by-step guidelines for any specific venture or matter that you would like to know more about. It will enable you to definitely grasp various approaches to complicated concerns.
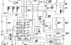
Fan Tastic Vent Wiring Diagram | Wiring Diagram – Fantastic Vent Wiring Diagram
Additionally, Wiring Diagram provides you with enough time frame by which the tasks are to become accomplished. You may be in a position to learn exactly when the tasks should be completed, that makes it much simpler for you to correctly manage your time and effort.
Fantastic Vent Fan Wiring Diagram | Manual E-Books – Fantastic Vent Wiring Diagram
Wiring diagram also offers useful ideas for projects that might require some extra tools. This guide even contains suggestions for extra provides that you could want in order to end your tasks. It will be in a position to provide you with further equipment like conductive tape, screwdrivers, wire nuts, and so on. It will also consist of materials you might need to complete straightforward assignments.
Fantastic Vent Wiring Schematic | Wiring Diagram – Fantastic Vent Wiring Diagram
Wiring Diagram consists of both illustrations and step-by-step guidelines that might permit you to actually build your venture. This is helpful for the two the folks and for experts that are seeking to find out more on how to established up a working atmosphere. Wiring Diagrams are designed to be easy to know and easy to create. You’ll be able to find this guidebook easy to use and in addition very affordable.
Fantastic Vent Wiring Schematic | Wiring Diagram – Fantastic Vent Wiring Diagram
You are able to always depend on Wiring Diagram being an crucial reference that may help you preserve time and money. With the assist of the book, you are able to easily do your own wiring tasks. It doesn’t matter what you will need it for, you’ll be able to always discover a list of various provides that you will need to perform a job. Furthermore, this e-book gives practical suggestions for several different tasks that you simply will be in a position to accomplish.
Fantastic Vent Wiring Diagram | Wiring Diagram – Fantastic Vent Wiring Diagram
