fisher plow wiring diagram minute mount 2 – You will want an extensive, expert, and easy to comprehend Wiring Diagram. With this sort of an illustrative manual, you’ll have the ability to troubleshoot, prevent, and complete your assignments easily. Not merely will it enable you to accomplish your required final results quicker, but in addition make the complete procedure simpler for everyone. This guide can show to become the ideal instrument for all those who want to develop a well-organized and well-planned operating atmosphere.
Wiring Harness Fuses Fisher | Wiring Diagram – Fisher Plow Wiring Diagram Minute Mount 2
Wiring Diagram comes with a number of easy to follow Wiring Diagram Instructions. It is intended to aid each of the common user in developing a suitable program. These directions will likely be easy to comprehend and apply. With this particular guide, you’ll be in a position to find out how each and every part should be connected as well as the exact actions you should get as a way to effectively complete a certain task.
Fisher Plow Wiring Diagram Minute Mount 2 – Schema Wiring Diagram Online – Fisher Plow Wiring Diagram Minute Mount 2
Wiring Diagram consists of several comprehensive illustrations that display the relationship of various products. It contains instructions and diagrams for different types of wiring strategies and other things like lights, home windows, etc. The e-book features a lot of sensible strategies for various scenarios that you might come across when you’re dealing with wiring difficulties. Every one of these tips are illustrated with sensible illustrations.
Fisher Plow Wiring Diagram Minute Mount 1 3 Plug Harness 3I 2 – Fisher Plow Wiring Diagram Minute Mount 2
Wiring Diagram not just offers in depth illustrations of whatever you can perform, but in addition the processes you ought to adhere to although doing so. Not just are you able to locate numerous diagrams, however, you may also get step-by-step instructions for any particular undertaking or subject that you’d prefer to know more about. It will enable you to learn various approaches to complicated concerns.
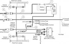
Fisher Minute Mount 2 Light Wiring Diagram | Wiring Diagram – Fisher Plow Wiring Diagram Minute Mount 2
Additionally, Wiring Diagram gives you time body in which the assignments are to be accomplished. You may be capable to understand exactly once the assignments needs to be accomplished, that makes it much easier to suit your needs to correctly handle your time and effort.
7 Inspirational Fisher Plow Wiring Diagram Minute Mount 2 Pics – Fisher Plow Wiring Diagram Minute Mount 2
Wiring diagram also gives useful recommendations for tasks that may demand some extra equipment. This e-book even contains recommendations for extra supplies that you could want as a way to end your tasks. It will be in a position to provide you with further gear like conductive tape, screwdrivers, wire nuts, and so on. It will also consist of supplies you may must full simple assignments.
Minute Mount 2 Wiring Harness – Wiring Diagram Data – Fisher Plow Wiring Diagram Minute Mount 2
Wiring Diagram contains each illustrations and step-by-step instructions that would allow you to definitely truly build your undertaking. This is useful for each the people and for professionals who are searching to find out more on how to set up a functioning environment. Wiring Diagrams are created to be easy to know and easy to build. You are able to locate this guide easy to use as well as extremely affordable.
Fisher Minute Mount Plow Solenoid Wiring Diagram | Best Wiring Library – Fisher Plow Wiring Diagram Minute Mount 2
You can always count on Wiring Diagram as an crucial reference that may help you preserve money and time. Using the aid of the e-book, you are able to easily do your own personal wiring assignments. Regardless of what you need it for, you’ll be able to usually find a listing of different provides that you’ll want to accomplish a activity. Furthermore, this guide gives practical suggestions for several distinct projects that you simply will probably be capable to accomplish.
Fisher Minute Mount Plow Solenoid Wiring Diagram | Best Wiring Library – Fisher Plow Wiring Diagram Minute Mount 2
