goodman air handler wiring diagram – You will want an extensive, professional, and easy to know Wiring Diagram. With this kind of an illustrative guide, you will have the ability to troubleshoot, stop, and full your projects with ease. Not merely will it enable you to accomplish your required outcomes faster, but additionally make the whole process simpler for everyone. This book can demonstrate to be the ideal device for all these who desire to produce a well-organized and well-planned operating environment.
Goodman Air Handler To Heat Pump Wiring Diagram – Wiring Diagram Name – Goodman Air Handler Wiring Diagram
Wiring Diagram comes with numerous easy to adhere to Wiring Diagram Instructions. It really is meant to assist all of the typical consumer in creating a proper method. These instructions will probably be easy to understand and apply. With this guide, you will be able to determine how every element should be connected and also the exact steps you need to take to be able to efficiently total a specific job.
Goodman Ac Wiring | Wiring Diagram – Goodman Air Handler Wiring Diagram
Wiring Diagram includes many detailed illustrations that display the connection of varied things. It consists of guidelines and diagrams for various varieties of wiring techniques and other things like lights, windows, etc. The book features a large amount of practical strategies for various situations that you could experience when you’re dealing with wiring problems. Each one of such suggestions are illustrated with sensible illustrations.
More Of The Goodman 13 Seer 2-Ton Heat Pump And Air Handler – Youtube – Goodman Air Handler Wiring Diagram
Wiring Diagram not just offers comprehensive illustrations of whatever you can perform, but additionally the procedures you need to follow while carrying out so. Not just is it possible to locate different diagrams, however you may also get step-by-step guidelines for a particular undertaking or subject that you would prefer to know more about. It’ll enable you to definitely master distinct approaches to sophisticated concerns.
Goodman Hvac Fan Wiring Diagram | Wiring Diagram – Goodman Air Handler Wiring Diagram
Furthermore, Wiring Diagram gives you time frame during which the assignments are to become finished. You may be capable to know exactly if the projects ought to be completed, that makes it much simpler for you to correctly control your time and efforts.
Aruf Wiring Diagram – Trusted Wiring Diagram Online – Goodman Air Handler Wiring Diagram
Wiring diagram also gives helpful recommendations for assignments that might demand some extra tools. This guide even contains ideas for added supplies that you might want as a way to end your assignments. It will likely be capable to provide you with further equipment like conductive tape, screwdrivers, wire nuts, and so forth. It’s going to also consist of provides you might have to complete easy projects.
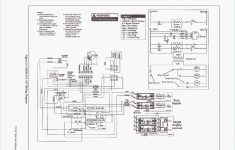
Goodman Air Handler Wiring Diagram For Ar61 1 | Wiring Diagram – Goodman Air Handler Wiring Diagram
Wiring Diagram contains each examples and step-by-step instructions that would allow you to truly build your project. This can be useful for each the folks and for professionals that are looking to find out more on how to established up a operating surroundings. Wiring Diagrams are made to be easy to comprehend and easy to build. You’ll be able to find this guide easy to make use of and in addition very affordable.
Goodman Air Handler Wiring Diagram First Co Thermostat Window Ac – Goodman Air Handler Wiring Diagram
You can always count on Wiring Diagram being an important reference that may enable you to save time and cash. Using the assist of the guide, you’ll be able to effortlessly do your own personal wiring projects. It doesn’t matter what you’ll need it for, you’ll be able to always discover a list of different materials that you’ll want to accomplish a task. Moreover, this guide offers practical ideas for several distinct projects that you will be in a position to finish.
Goodman Air Handler To Thermostat Wiring Diagram | Wiring Diagram – Goodman Air Handler Wiring Diagram
