rv converter charger wiring diagram – You will want an extensive, expert, and easy to comprehend Wiring Diagram. With such an illustrative manual, you are going to be able to troubleshoot, stop, and complete your projects with ease. Not just will it assist you to accomplish your required results quicker, but additionally make the complete method simpler for everyone. This book can demonstrate to be the right instrument for all those who want to produce a well-organized and well-planned functioning atmosphere.
Basic Rv Battery Charger Options – Rvshare – Rv Converter Charger Wiring Diagram
Wiring Diagram will come with several easy to stick to Wiring Diagram Guidelines. It really is meant to assist all of the common user in building a correct system. These guidelines will probably be easy to grasp and use. With this manual, you may be capable to determine how each and every element ought to be connected and also the actual steps you need to consider to be able to efficiently full a certain activity.
Rv Converter Charger Wiring Diagram | Wiring Library – Rv Converter Charger Wiring Diagram
Wiring Diagram includes numerous in depth illustrations that display the relationship of various products. It contains guidelines and diagrams for various varieties of wiring strategies and other items like lights, windows, and so on. The guide includes a lot of practical techniques for various circumstances that you may come across if you’re dealing with wiring issues. Each one of such suggestions are illustrated with useful illustrations.
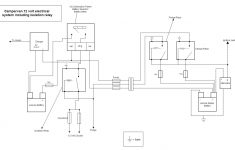
Campervan And Motorhome Electrical Systems – Build A Campervan – Rv Converter Charger Wiring Diagram
Wiring Diagram not just offers in depth illustrations of whatever you can perform, but also the processes you should follow while carrying out so. Not only can you locate different diagrams, however, you can also get step-by-step instructions to get a particular undertaking or matter that you’d like to know more details on. It’ll enable you to definitely grasp different approaches to complicated problems.
Pace Arrow Motorhome Wiring Diagram For | Manual E-Books – Rv Converter Charger Wiring Diagram
Additionally, Wiring Diagram provides you with the time body in which the tasks are to become finished. You will be in a position to know specifically once the projects should be accomplished, which makes it much simpler to suit your needs to effectively handle your time and effort.
Magnetek Rv Inverter Wiring Diagram | Wiring Diagram – Rv Converter Charger Wiring Diagram
Wiring diagram also offers beneficial recommendations for tasks which may require some added gear. This e-book even includes ideas for added provides that you might want in order to end your tasks. It will be in a position to offer you with extra tools like conductive tape, screwdrivers, wire nuts, etc. It will also include provides you might must total easy tasks.
Rv Converter Schematic | Wiring Diagram – Rv Converter Charger Wiring Diagram
Wiring Diagram consists of each illustrations and step-by-step instructions that would enable you to really construct your venture. This is helpful for each the people and for specialists who are looking for more information on how to established up a working environment. Wiring Diagrams are designed to be easy to know and easy to build. You can locate this manual easy to use as well as really affordable.
Freedom 10 Inverter Wiring Diagram – Simple Wiring Diagram Site – Rv Converter Charger Wiring Diagram
You are able to usually depend on Wiring Diagram being an important reference that can help you preserve time and cash. With the aid of the e-book, you can easily do your personal wiring tasks. Regardless of what you need it for, you can usually discover a list of different materials that you will need to perform a activity. Moreover, this e-book provides useful suggestions for several distinct assignments that you will likely be in a position to finish.
Rv Converter Charger Wiring Diagram | Wiring Diagram – Rv Converter Charger Wiring Diagram
