truck lite 900 wiring diagram – You will want a comprehensive, professional, and easy to comprehend Wiring Diagram. With this sort of an illustrative guidebook, you are going to have the ability to troubleshoot, stop, and total your assignments easily. Not just will it help you accomplish your desired outcomes quicker, but in addition make the whole procedure less difficult for everyone. This book can prove to become the ideal instrument for all individuals who wish to develop a well-organized and well-planned working surroundings.
Truck-Lite-Signal-Stat 8 Wire Harness Peterbilt Polycarbonate Turn – Truck Lite 900 Wiring Diagram
Wiring Diagram arrives with a number of easy to adhere to Wiring Diagram Directions. It is intended to assist all the typical person in building a suitable program. These guidelines will probably be easy to comprehend and apply. With this particular manual, you will be in a position to see how each and every element should be related and the exact actions you need to consider to be able to effectively total a specific activity.
Ez Wiring 12 Circuit To Truck Lite 900 Diagram | Manual E-Books – Truck Lite 900 Wiring Diagram
Wiring Diagram includes many in depth illustrations that present the connection of varied products. It contains directions and diagrams for various varieties of wiring methods and other things like lights, windows, and so forth. The book features a large amount of sensible techniques for various circumstances that you might experience when you’re working with wiring issues. Every one of those ideas are illustrated with useful illustrations.
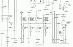
7 Wire Harness, Turn Signal Switch, Black Polycarbonate | Truck-Lite – Truck Lite 900 Wiring Diagram
Wiring Diagram not merely gives comprehensive illustrations of what you can perform, but additionally the processes you need to follow whilst carrying out so. Not just are you able to locate numerous diagrams, but you can also get step-by-step directions for a certain project or topic that you would like to know more about. It’ll permit you to definitely grasp various ways to complicated problems.
7 Wire Harness, Turn Signal Switch, Black Polycarbonate | Truck-Lite – Truck Lite 900 Wiring Diagram
Furthermore, Wiring Diagram gives you time body during which the tasks are for being accomplished. You’ll be in a position to learn precisely if the tasks needs to be finished, which makes it much easier for you to effectively manage your time and effort.
7 Wire Harness, Turn Signal Switch, Black Polycarbonate | Truck-Lite – Truck Lite 900 Wiring Diagram
Wiring diagram also gives beneficial recommendations for tasks that might need some added tools. This book even includes suggestions for extra supplies that you may want in order to finish your assignments. It will be able to supply you with additional equipment like conductive tape, screwdrivers, wire nuts, and so on. It’ll also include materials you may must total easy tasks.
Ez Wiring 12 Circuit To Truck Lite 900 Diagram | Manual E-Books – Truck Lite 900 Wiring Diagram
Wiring Diagram includes both examples and step-by-step instructions that would permit you to really construct your project. This is beneficial for the two the people and for specialists who’re looking to learn more regarding how to established up a functioning surroundings. Wiring Diagrams are made to be easy to understand and easy to construct. You’ll be able to locate this guidebook easy to make use of and in addition extremely cost-effective.
Ez Wiring 12 Circuit To Truck Lite 900 Diagram – Detailed Wiring Diagram – Truck Lite 900 Wiring Diagram
You are able to always depend on Wiring Diagram being an important reference that will enable you to save time and money. With all the assist of the book, you’ll be able to easily do your own wiring tasks. Regardless of what you need it for, you are able to usually discover a listing of distinct materials that you’ll want to perform a job. Furthermore, this e-book gives sensible recommendations for several different assignments that you simply will likely be in a position to complete.
Truck Lite Wiring Diagram 88911 88 Series 55 Rear 15 Plug License – Truck Lite 900 Wiring Diagram
