white rogers thermostat wiring diagram – You will need a comprehensive, expert, and easy to understand Wiring Diagram. With this sort of an illustrative guidebook, you’ll be able to troubleshoot, stop, and complete your assignments with ease. Not only will it help you attain your required final results more quickly, but in addition make the complete method less difficult for everybody. This guide can show for being the perfect tool for all those who wish to develop a well-organized and well-planned operating environment.
How Wire A White Rodgers Room Thermostat, White Rodgers Thermostat – White Rogers Thermostat Wiring Diagram
Wiring Diagram arrives with several easy to adhere to Wiring Diagram Directions. It really is meant to aid all the typical person in developing a correct method. These directions will probably be easy to comprehend and implement. Using this guidebook, you will be able to find out how every element should be connected and also the precise steps you ought to take in order to efficiently complete a certain activity.
How Wire A White Rodgers Room Thermostat, White Rodgers Thermostat – White Rogers Thermostat Wiring Diagram
Wiring Diagram consists of numerous comprehensive illustrations that show the link of various products. It includes instructions and diagrams for different types of wiring methods and other items like lights, windows, etc. The guide features a great deal of useful tips for various circumstances that you may experience when you’re dealing with wiring issues. Each and every one of such ideas are illustrated with practical examples.
White Rodgers Gas Valve Wiring Diagram – All Wiring Diagram – White Rogers Thermostat Wiring Diagram
Wiring Diagram not only provides in depth illustrations of whatever you can perform, but in addition the methods you need to stick to whilst doing so. Not just can you locate different diagrams, however, you also can get step-by-step directions for a particular venture or topic that you would wish to know more about. It’s going to enable you to learn various methods to complicated problems.
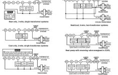
Westinghouse Thermostat Wiring Diagram – Trusted Wiring Diagram – White Rogers Thermostat Wiring Diagram
In addition, Wiring Diagram provides you with the time frame by which the tasks are to become accomplished. You’ll be capable to know exactly if the assignments needs to be finished, which makes it easier to suit your needs to effectively manage your time.
How Wire A White Rodgers Room Thermostat, White Rodgers Thermostat – White Rogers Thermostat Wiring Diagram
Wiring diagram also offers helpful suggestions for assignments that might need some extra tools. This guide even includes recommendations for added provides that you may require as a way to end your assignments. It will likely be able to offer you with further equipment like conductive tape, screwdrivers, wire nuts, and so on. It’s going to also include provides you could have to full simple tasks.
White Rodgers 3 Wire Zone Valve Wiring Diagram Likewise White – White Rogers Thermostat Wiring Diagram
Wiring Diagram includes each examples and step-by-step guidelines that might enable you to actually develop your venture. This is helpful for both the folks and for experts who are searching for more information regarding how to established up a working environment. Wiring Diagrams are designed to be easy to comprehend and easy to build. You are able to discover this manual easy to make use of and in addition really inexpensive.
How Wire A White Rodgers Room Thermostat, White Rodgers Thermostat – White Rogers Thermostat Wiring Diagram
You can usually depend on Wiring Diagram as an important reference that can enable you to conserve money and time. Using the help of the e-book, you are able to very easily do your own personal wiring tasks. It doesn’t matter what you’ll need it for, you can often find a listing of various supplies that you’ll want to accomplish a task. In addition, this guide gives sensible recommendations for many distinct tasks that you will probably be in a position to finish.
How To Install A Thermostat – White Rodgers Thermostat – Youtube – White Rogers Thermostat Wiring Diagram
