wiring diagram for craftsman riding lawn mower – You’ll need an extensive, professional, and easy to know Wiring Diagram. With this sort of an illustrative guide, you’ll be able to troubleshoot, avoid, and complete your projects with ease. Not only will it help you achieve your desired outcomes faster, but in addition make the whole procedure easier for everybody. This book can prove to be the ideal tool for all individuals who desire to create a well-organized and well-planned operating environment.
Craftsman Model 917288100 Lawn, Tractor Genuine Parts – Wiring Diagram For Craftsman Riding Lawn Mower
Wiring Diagram comes with a number of easy to follow Wiring Diagram Directions. It really is supposed to assist all of the typical consumer in developing a correct method. These instructions will probably be easy to comprehend and implement. With this particular manual, you’ll be in a position to see how every part needs to be linked and the exact steps you ought to take in order to successfully full a specific task.
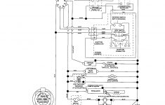
Craftsman Riding Mower Electrical Diagram | Wiring Diagram Craftsman – Wiring Diagram For Craftsman Riding Lawn Mower
Wiring Diagram includes numerous comprehensive illustrations that show the relationship of assorted things. It contains directions and diagrams for various kinds of wiring methods along with other items like lights, home windows, and so forth. The e-book features a large amount of sensible techniques for various scenarios that you may experience when you are dealing with wiring problems. Every one of these tips are illustrated with sensible illustrations.
Craftsman Model 987889010 Walk Behind Lawnmower, Gas Genuine Parts – Wiring Diagram For Craftsman Riding Lawn Mower
Wiring Diagram not merely provides comprehensive illustrations of everything you can do, but also the procedures you should stick to although doing so. Not merely are you able to locate various diagrams, however, you may also get step-by-step guidelines to get a certain venture or topic that you would prefer to know more details on. It’ll enable you to definitely grasp distinct methods to complex issues.
Troy-Bilt Neighborhood Rider 30" Riding Lawn Mower – Youtube – Wiring Diagram For Craftsman Riding Lawn Mower
Additionally, Wiring Diagram provides you with time body in which the projects are to become completed. You will be capable to understand specifically if the projects ought to be completed, which makes it easier for you to correctly handle your time and effort.
Murray Lawn Mower Starter Solenoid Wiring Diagram | Wiring Library – Wiring Diagram For Craftsman Riding Lawn Mower
Wiring diagram also provides beneficial suggestions for assignments which may require some added equipment. This book even includes ideas for added materials that you may want to be able to end your assignments. It’ll be in a position to provide you with extra gear like conductive tape, screwdrivers, wire nuts, and so forth. It’ll also include materials you could need to total straightforward projects.
Gravely Wiring Diagrams – Wiring Diagram Online – Wiring Diagram For Craftsman Riding Lawn Mower
Wiring Diagram consists of both illustrations and step-by-step guidelines that might permit you to definitely truly construct your project. This can be helpful for both the folks and for professionals who’re searching to learn more on how to set up a functioning surroundings. Wiring Diagrams are created to be easy to understand and easy to create. You are able to locate this guide easy to make use of and also really cost-effective.
Craftsman Riding Mower Electrical Diagram | Wiring Diagram Craftsman – Wiring Diagram For Craftsman Riding Lawn Mower
You’ll be able to always depend on Wiring Diagram being an important reference that may assist you to save money and time. With all the assist of the e-book, you can easily do your own personal wiring assignments. No matter what you need it for, you are able to always discover a list of different supplies that you’ll want to perform a job. Moreover, this guide provides practical recommendations for many different projects that you simply will probably be capable to finish.
Old Craftsman Riding Lawn Mower Wiring Diagram – Great Installation – Wiring Diagram For Craftsman Riding Lawn Mower
