3 wire alternator wiring diagram – You’ll need an extensive, expert, and easy to know Wiring Diagram. With this kind of an illustrative guidebook, you will be capable of troubleshoot, stop, and complete your projects without difficulty. Not only will it enable you to achieve your desired final results faster, but in addition make the complete method less difficult for everyone. This guide can show for being the ideal instrument for all those who wish to create a well-organized and well-planned operating atmosphere.
Repair Guides | Wiring Diagrams | Wiring Diagrams | Autozone – 3 Wire Alternator Wiring Diagram
Wiring Diagram comes with a number of easy to stick to Wiring Diagram Instructions. It is meant to assist all the average person in creating a suitable system. These instructions will be easy to grasp and use. With this particular manual, you may be able to find out how every element ought to be linked and also the exact steps you need to consider as a way to effectively total a certain task.
3 Wire Tail Light Diagram – Wiring Diagram Data – 3 Wire Alternator Wiring Diagram
Wiring Diagram consists of several comprehensive illustrations that present the relationship of varied products. It consists of instructions and diagrams for various kinds of wiring techniques as well as other things like lights, home windows, and so forth. The guide incorporates a large amount of sensible strategies for various situations that you might encounter if you’re working with wiring problems. Each and every one of such suggestions are illustrated with practical illustrations.
Amp Meter With Alternator Wiring Chevy 3 Wire – Wiring Diagram Detailed – 3 Wire Alternator Wiring Diagram
Wiring Diagram not merely provides in depth illustrations of everything you can do, but also the procedures you ought to adhere to while carrying out so. Not just are you able to find numerous diagrams, however you also can get step-by-step guidelines for a certain venture or topic that you would like to know more about. It will enable you to definitely learn distinct approaches to sophisticated concerns.
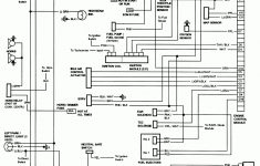
Gmc Wiring Diagram – Wiring Diagrams Hubs – 3 Wire Alternator Wiring Diagram
In addition, Wiring Diagram gives you time body in which the assignments are to be accomplished. You’ll be capable to understand specifically once the tasks ought to be finished, which makes it much simpler to suit your needs to properly control your time and effort.
Part 4 Wiring Diagram And Electrical Circuit – 3 Wire Alternator Wiring Diagram
Wiring diagram also provides helpful recommendations for tasks that may need some added tools. This e-book even includes suggestions for extra provides that you may require to be able to finish your projects. It’ll be able to offer you with further gear like conductive tape, screwdrivers, wire nuts, and so forth. It’s going to also contain supplies you may have to full straightforward projects.
Gmc Wiring Diagram – Wiring Diagrams Hubs – 3 Wire Alternator Wiring Diagram
Wiring Diagram consists of each illustrations and step-by-step guidelines that might permit you to actually construct your undertaking. This is beneficial for the two the individuals and for specialists who are looking for more information regarding how to set up a functioning surroundings. Wiring Diagrams are designed to be easy to comprehend and easy to construct. You can find this manual easy to make use of and in addition extremely inexpensive.
Dodge 3 Wire Alternator Diagram – Wiring Diagrams Hubs – 3 Wire Alternator Wiring Diagram
You’ll be able to always count on Wiring Diagram as an crucial reference that will assist you to save time and cash. With the aid of this guide, you’ll be able to very easily do your own personal wiring tasks. No matter what you’ll need it for, you’ll be able to always locate a list of various provides that you will want to accomplish a job. Moreover, this book gives sensible ideas for several different assignments which you will probably be capable to accomplish.
Hoffberg Alternator Wiring Diagram – Wiring Diagram Schema – 3 Wire Alternator Wiring Diagram
