36 Volt Trolling Motor Wiring Diagram | Wiring Diagram – 36 Volt Trolling Motor Wiring Diagram

36 Volt Trolling Motor Wiring Diagram | Wiring Diagram – 36 Volt Trolling Motor Wiring Diagram

36 volt trolling motor wiring diagram – You will need an extensive, skilled, and easy to comprehend Wiring Diagram. With this kind of an illustrative guidebook, you are going to be able to troubleshoot, avoid, and full your projects with ease. Not only will it assist you to attain your desired results faster, but additionally make the complete process simpler for everyone. This book can show to be the right device for all individuals who desire to produce a well-organized and well-planned functioning environment.

Installing 24V And 36V Battery System For Trolling Motor - Youtube - 36 Volt Trolling Motor Wiring Diagram

Installing 24V And 36V Battery System For Trolling Motor – Youtube – 36 Volt Trolling Motor Wiring Diagram

Wiring Diagram comes with several easy to follow Wiring Diagram Guidelines. It is intended to assist all of the average user in creating a proper method. These instructions will be easy to comprehend and use. With this particular guide, you will be capable to find out how each part ought to be linked as well as the precise steps you should consider as a way to successfully complete a specific job.

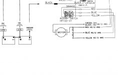
Minn Kota 36 Volt Battery Wiring Diagram | Manual E-Books - 36 Volt Trolling Motor Wiring Diagram

Minn Kota 36 Volt Battery Wiring Diagram | Manual E-Books – 36 Volt Trolling Motor Wiring Diagram

Wiring Diagram includes numerous detailed illustrations that show the link of various items. It consists of directions and diagrams for various varieties of wiring strategies along with other things like lights, windows, etc. The e-book features a lot of practical techniques for numerous scenarios that you could encounter when you are dealing with wiring issues. Each and every one of these ideas are illustrated with useful illustrations.

24 Volt Trolling Motor Battery Wiring Diagram | Manual E-Books - 36 Volt Trolling Motor Wiring Diagram

24 Volt Trolling Motor Battery Wiring Diagram | Manual E-Books – 36 Volt Trolling Motor Wiring Diagram

Wiring Diagram not merely offers detailed illustrations of whatever you can perform, but also the procedures you need to follow while carrying out so. Not only are you able to locate different diagrams, however, you can also get step-by-step directions for a specific undertaking or topic that you’d like to know more details on. It’s going to allow you to definitely grasp distinct approaches to sophisticated concerns.

Wiring 24 36 Volt Switchable Trolling Motor Diagram | Wiring Diagram - 36 Volt Trolling Motor Wiring Diagram

Wiring 24 36 Volt Switchable Trolling Motor Diagram | Wiring Diagram – 36 Volt Trolling Motor Wiring Diagram

In addition, Wiring Diagram provides you with enough time body by which the tasks are to become finished. You’ll be in a position to know precisely if the assignments should be accomplished, that makes it easier for you to effectively control your time and effort.

24V Trolling Motor Wiring Diagram | Wiring Diagram - 36 Volt Trolling Motor Wiring Diagram

24V Trolling Motor Wiring Diagram | Wiring Diagram – 36 Volt Trolling Motor Wiring Diagram

Wiring diagram also offers useful recommendations for tasks which may require some additional tools. This book even includes recommendations for additional supplies that you could require to be able to end your assignments. It’ll be in a position to supply you with further gear like conductive tape, screwdrivers, wire nuts, and so forth. It’ll also consist of materials you could must total easy tasks.

12 Volt Trolling Motor Wiring | Wiring Diagram - 36 Volt Trolling Motor Wiring Diagram

12 Volt Trolling Motor Wiring | Wiring Diagram – 36 Volt Trolling Motor Wiring Diagram

Wiring Diagram consists of each illustrations and step-by-step directions that would enable you to definitely truly build your project. This is useful for the two the individuals and for specialists who are searching to learn more on how to established up a functioning surroundings. Wiring Diagrams are designed to be easy to comprehend and easy to create. You can locate this manual easy to make use of and also extremely affordable.

36 Volt Trolling Motor Wiring Diagram | Wiring Diagram - 36 Volt Trolling Motor Wiring Diagram

36 Volt Trolling Motor Wiring Diagram | Wiring Diagram – 36 Volt Trolling Motor Wiring Diagram

You are able to often count on Wiring Diagram as an crucial reference that can enable you to conserve money and time. With the assist of this e-book, you can effortlessly do your personal wiring tasks. Regardless of what you need it for, you are able to often discover a list of various materials that you will need to accomplish a task. Moreover, this guide provides useful suggestions for several various projects which you will be in a position to finish.

36 Volt Trolling Motor Wiring Diagram New Wiring Diagram In Addition - 36 Volt Trolling Motor Wiring Diagram

36 Volt Trolling Motor Wiring Diagram New Wiring Diagram In Addition – 36 Volt Trolling Motor Wiring Diagram

Watch The Video of 36 volt trolling motor wiring diagram