Glow Plug Wiring 6 9 – Wiring Diagram Data Oreo – 7.3 Glow Plug Relay Wiring Diagram

Glow Plug Wiring 6 9 – Wiring Diagram Data Oreo – 7.3 Glow Plug Relay Wiring Diagram

7.3 glow plug relay wiring diagram – You will want an extensive, professional, and easy to comprehend Wiring Diagram. With this sort of an illustrative manual, you’ll be able to troubleshoot, prevent, and full your projects with ease. Not just will it enable you to accomplish your required final results more quickly, but also make the complete procedure less difficult for everyone. This guide can demonstrate for being the perfect device for all individuals who want to produce a well-organized and well-planned working surroundings.

Ford 7 3 Glow Plug Relay Wiring - Wiring Diagram • Intended For 7.3 - 7.3 Glow Plug Relay Wiring Diagram

Ford 7 3 Glow Plug Relay Wiring – Wiring Diagram • Intended For 7.3 – 7.3 Glow Plug Relay Wiring Diagram

Wiring Diagram comes with a number of easy to adhere to Wiring Diagram Instructions. It’s meant to assist each of the common user in creating a correct system. These directions will be easy to comprehend and implement. With this particular guidebook, you’ll be able to find out how each part needs to be connected as well as the precise steps you should consider in order to effectively complete a certain job.

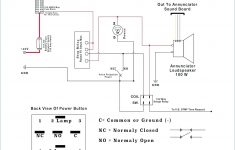
Glow Plug Wiring 6 9 - Wiring Diagram Data Oreo - 7.3 Glow Plug Relay Wiring Diagram

Glow Plug Wiring 6 9 – Wiring Diagram Data Oreo – 7.3 Glow Plug Relay Wiring Diagram

Wiring Diagram includes numerous comprehensive illustrations that show the relationship of assorted things. It consists of instructions and diagrams for different varieties of wiring strategies as well as other items like lights, windows, and so forth. The book features a large amount of practical tips for numerous scenarios that you might experience when you are dealing with wiring difficulties. Each one of such tips are illustrated with practical examples.

Fresh 1997 7.3 Glow Plug Relay Wiring Diagram - Edmyedguide24 - 7.3 Glow Plug Relay Wiring Diagram

Fresh 1997 7.3 Glow Plug Relay Wiring Diagram – Edmyedguide24 – 7.3 Glow Plug Relay Wiring Diagram

Wiring Diagram not merely provides comprehensive illustrations of whatever you can perform, but additionally the procedures you need to stick to while performing so. Not merely is it possible to locate various diagrams, however, you may also get step-by-step directions for any specific venture or subject that you’d wish to know more details on. It’s going to allow you to learn various methods to complicated problems.

7 3 Idi Glow Plug Controller Wiring Diagram | Manual E-Books - 7.3 Glow Plug Relay Wiring Diagram

7 3 Idi Glow Plug Controller Wiring Diagram | Manual E-Books – 7.3 Glow Plug Relay Wiring Diagram

Furthermore, Wiring Diagram gives you the time body by which the assignments are to become accomplished. You may be capable to learn specifically if the projects ought to be completed, which makes it easier for you to properly control your time and effort.

2000 7.3 Glow Plug Relay Wiring Diagram Best Of Discovery Glow Plug - 7.3 Glow Plug Relay Wiring Diagram

2000 7.3 Glow Plug Relay Wiring Diagram Best Of Discovery Glow Plug – 7.3 Glow Plug Relay Wiring Diagram

Wiring diagram also gives beneficial recommendations for assignments that might need some added equipment. This e-book even includes ideas for added provides that you could need to be able to complete your tasks. It will likely be in a position to supply you with extra equipment like conductive tape, screwdrivers, wire nuts, and so forth. It’s going to also consist of materials you could must complete easy tasks.

Glow Plug Relay Diagram - Wiring Diagram Data Oreo - 7.3 Glow Plug Relay Wiring Diagram

Glow Plug Relay Diagram – Wiring Diagram Data Oreo – 7.3 Glow Plug Relay Wiring Diagram

Wiring Diagram includes each illustrations and step-by-step directions that will permit you to definitely really construct your project. This is beneficial for each the individuals and for specialists that are looking for more information on how to set up a operating surroundings. Wiring Diagrams are created to be easy to comprehend and easy to construct. You can discover this manual easy to make use of and also really cost-effective.

2000 F250 7 3 Glow Plug Relay Wiring Diagram | Manual E-Books - 7.3 Glow Plug Relay Wiring Diagram

2000 F250 7 3 Glow Plug Relay Wiring Diagram | Manual E-Books – 7.3 Glow Plug Relay Wiring Diagram

You can often rely on Wiring Diagram being an crucial reference that can assist you to save money and time. With the aid of the book, you’ll be able to effortlessly do your personal wiring assignments. Regardless of what you’ll need it for, you can always find a list of different materials that you will need to accomplish a activity. In addition, this book gives practical ideas for many various assignments that you will be in a position to complete.

Glow Plug Controller Wiring Harness | Wiring Library - 7.3 Glow Plug Relay Wiring Diagram

Glow Plug Controller Wiring Harness | Wiring Library – 7.3 Glow Plug Relay Wiring Diagram

Watch The Video of 7.3 glow plug relay wiring diagram