Rt3 Boss Plow Wiring Diagram | Wiring Diagram – Boss Plow Wiring Diagram

Rt3 Boss Plow Wiring Diagram | Wiring Diagram – Boss Plow Wiring Diagram

boss plow wiring diagram – You will need an extensive, professional, and easy to know Wiring Diagram. With this kind of an illustrative guidebook, you’ll have the ability to troubleshoot, prevent, and total your tasks without difficulty. Not just will it help you achieve your desired outcomes faster, but also make the entire process less difficult for everyone. This e-book can demonstrate to become the ideal device for all individuals who want to create a well-organized and well-planned functioning atmosphere.

Snow Plow Wiring Schematic | Wiring Library - Boss Plow Wiring Diagram

Snow Plow Wiring Schematic | Wiring Library – Boss Plow Wiring Diagram

Wiring Diagram will come with a number of easy to adhere to Wiring Diagram Directions. It’s supposed to help each of the common person in building a suitable system. These directions will probably be easy to grasp and implement. With this particular guidebook, you will be capable to determine how each and every element needs to be connected and also the actual steps you should consider to be able to effectively complete a particular activity.

62917 Western Unimount Hb-1 Headlight Harness Kit Dodge Ram 99+ - Boss Plow Wiring Diagram

62917 Western Unimount Hb-1 Headlight Harness Kit Dodge Ram 99+ – Boss Plow Wiring Diagram

Wiring Diagram contains many comprehensive illustrations that present the connection of assorted items. It contains guidelines and diagrams for various kinds of wiring techniques along with other items like lights, home windows, etc. The book features a large amount of practical strategies for numerous scenarios that you could experience when you’re working with wiring problems. Every one of those ideas are illustrated with practical examples.

Boss Snow Plow Wiring Schematic | Wiring Diagram - Boss Plow Wiring Diagram

Boss Snow Plow Wiring Schematic | Wiring Diagram – Boss Plow Wiring Diagram

Wiring Diagram not merely gives comprehensive illustrations of what you can do, but also the methods you need to adhere to whilst doing so. Not only is it possible to locate different diagrams, however you also can get step-by-step directions for a particular project or matter that you’d prefer to know more about. It’ll permit you to learn different methods to sophisticated concerns.

Rt3 Boss Plow Wiring Diagram | Wiring Diagram - Boss Plow Wiring Diagram

Rt3 Boss Plow Wiring Diagram | Wiring Diagram – Boss Plow Wiring Diagram

Additionally, Wiring Diagram gives you enough time body during which the projects are for being finished. You will be able to understand exactly when the tasks needs to be finished, which makes it much simpler to suit your needs to effectively manage your time.

Rt3 Boss Plow Wiring Diagram | Wiring Diagram - Boss Plow Wiring Diagram

Rt3 Boss Plow Wiring Diagram | Wiring Diagram – Boss Plow Wiring Diagram

Wiring diagram also gives beneficial suggestions for assignments that might need some added gear. This book even includes ideas for extra supplies that you could want to be able to end your projects. It will be capable to provide you with further equipment like conductive tape, screwdrivers, wire nuts, and so on. It will also consist of provides you might must complete simple assignments.

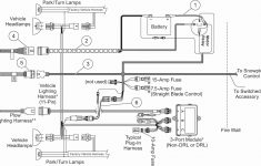
Rt3 Boss Plow Wiring Diagram | Wiring Diagram - Boss Plow Wiring Diagram

Rt3 Boss Plow Wiring Diagram | Wiring Diagram – Boss Plow Wiring Diagram

Wiring Diagram consists of each examples and step-by-step instructions that will allow you to definitely really construct your venture. This really is helpful for each the people and for experts that are seeking to find out more on how to established up a working surroundings. Wiring Diagrams are made to be easy to comprehend and easy to construct. You can locate this manual easy to utilize as well as extremely affordable.

Ford Boss Plow Wiring Diagram - All Wiring Diagram - Boss Plow Wiring Diagram

Ford Boss Plow Wiring Diagram – All Wiring Diagram – Boss Plow Wiring Diagram

You’ll be able to usually count on Wiring Diagram being an important reference that can help you conserve time and money. With all the help of this guide, you’ll be able to effortlessly do your personal wiring tasks. No matter what you need it for, you’ll be able to often locate a listing of various provides that you will want to accomplish a job. In addition, this book provides useful ideas for many distinct tasks that you will probably be in a position to complete.

Boss Snow Plow Wiring Schematic | Wiring Diagram - Boss Plow Wiring Diagram

Boss Snow Plow Wiring Schematic | Wiring Diagram – Boss Plow Wiring Diagram

Watch The Video of boss plow wiring diagram