Briggs Stratton Wiring Diagram And Coil | Wiring Diagram – Briggs And Stratton Ignition Coil Wiring Diagram

Briggs Stratton Wiring Diagram And Coil | Wiring Diagram – Briggs And Stratton Ignition Coil Wiring Diagram

briggs and stratton ignition coil wiring diagram – You will need an extensive, expert, and easy to comprehend Wiring Diagram. With this kind of an illustrative manual, you are going to be able to troubleshoot, stop, and complete your assignments with ease. Not just will it help you attain your desired results quicker, but in addition make the whole procedure easier for everyone. This guide can show to be the ideal instrument for all those who want to produce a well-organized and well-planned operating surroundings.

Briggs And Stratton Ignition Wiring Diagram | Manual E-Books - Briggs And Stratton Ignition Coil Wiring Diagram

Briggs And Stratton Ignition Wiring Diagram | Manual E-Books – Briggs And Stratton Ignition Coil Wiring Diagram

Wiring Diagram will come with several easy to stick to Wiring Diagram Instructions. It really is supposed to assist each of the typical consumer in developing a correct method. These directions will probably be easy to comprehend and implement. With this particular manual, you’ll be in a position to see how each and every component should be connected and also the actual actions you need to get in order to efficiently total a particular task.

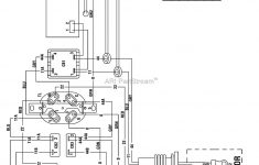
Briggs Stratton Wiring Diagram And Coil | Wiring Diagram - Briggs And Stratton Ignition Coil Wiring Diagram

Briggs Stratton Wiring Diagram And Coil | Wiring Diagram – Briggs And Stratton Ignition Coil Wiring Diagram

Wiring Diagram contains many detailed illustrations that display the connection of various items. It consists of directions and diagrams for various varieties of wiring techniques along with other items like lights, home windows, etc. The book includes a lot of useful tips for different circumstances that you might come across when you’re working with wiring issues. Each and every one of such tips are illustrated with useful examples.

24 Hp Briggs And Stratton Wiring Diagram - Data Wiring Diagram Schematic - Briggs And Stratton Ignition Coil Wiring Diagram

24 Hp Briggs And Stratton Wiring Diagram – Data Wiring Diagram Schematic – Briggs And Stratton Ignition Coil Wiring Diagram

Wiring Diagram not merely offers detailed illustrations of what you can do, but also the methods you need to adhere to while carrying out so. Not only are you able to discover different diagrams, but you also can get step-by-step instructions for any specific venture or topic that you’d wish to know more details on. It’s going to enable you to master distinct approaches to complex concerns.

Briggs And Stratton Ignition Coil Wiring Diagram | Manual E-Books - Briggs And Stratton Ignition Coil Wiring Diagram

Briggs And Stratton Ignition Coil Wiring Diagram | Manual E-Books – Briggs And Stratton Ignition Coil Wiring Diagram

Furthermore, Wiring Diagram gives you time body by which the projects are to be finished. You’ll be capable to learn exactly if the tasks should be finished, which makes it easier for you to correctly handle your time and effort.

Briggs And Stratton Ignition Coil Wiring Diagram | Wiring Diagram - Briggs And Stratton Ignition Coil Wiring Diagram

Briggs And Stratton Ignition Coil Wiring Diagram | Wiring Diagram – Briggs And Stratton Ignition Coil Wiring Diagram

Wiring diagram also offers beneficial ideas for tasks that may need some added tools. This book even includes suggestions for extra supplies that you could want in order to complete your assignments. It will be able to provide you with further equipment like conductive tape, screwdrivers, wire nuts, etc. It’s going to also contain supplies you may have to total simple assignments.

Briggs And Stratton Ignition Coil Wiring Diagram | Manual E-Books - Briggs And Stratton Ignition Coil Wiring Diagram

Briggs And Stratton Ignition Coil Wiring Diagram | Manual E-Books – Briggs And Stratton Ignition Coil Wiring Diagram

Wiring Diagram consists of the two examples and step-by-step guidelines that would allow you to definitely truly build your venture. This is helpful for both the individuals and for experts who are seeking for more information on how to set up a operating surroundings. Wiring Diagrams are made to be easy to understand and easy to build. You’ll be able to discover this guide easy to use as well as very inexpensive.

Briggs And Stratton Ignition Coil Wiring Diagram | Manual E-Books - Briggs And Stratton Ignition Coil Wiring Diagram

Briggs And Stratton Ignition Coil Wiring Diagram | Manual E-Books – Briggs And Stratton Ignition Coil Wiring Diagram

You can usually rely on Wiring Diagram as an crucial reference that may assist you to save money and time. With all the help of this e-book, you can very easily do your own personal wiring projects. It doesn’t matter what you will need it for, you are able to often discover a list of different materials that you’ll want to accomplish a task. Moreover, this guide gives useful ideas for several different projects which you will likely be in a position to finish.

Briggs And Stratton 190707 Ignition Wiring Diagram | Wiring Diagram - Briggs And Stratton Ignition Coil Wiring Diagram

Briggs And Stratton 190707 Ignition Wiring Diagram | Wiring Diagram – Briggs And Stratton Ignition Coil Wiring Diagram

Watch The Video of briggs and stratton ignition coil wiring diagram