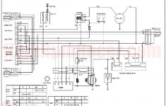
Wiring Diagram 110Cc Atv Taotao And Tao 125 At Tao Tao 125 Atv – Chinese Atv Wiring Diagram 110

Wiring Diagram 110Cc Atv Taotao And Tao 125 At Tao Tao 125 Atv – Chinese Atv Wiring Diagram 110

chinese atv wiring diagram 110 – You’ll need a comprehensive, skilled, and easy to comprehend Wiring Diagram. With this sort of an illustrative manual, you are going to have the ability to troubleshoot, avoid, and full your projects easily. Not just will it help you accomplish your desired final results quicker, but in addition make the whole method simpler for everyone. This guide can demonstrate for being the ideal instrument for all these who want to create a well-organized and well-planned operating surroundings.

Chinese 90Cc Atv Wiring Diagram | Wiring Diagram - Chinese Atv Wiring Diagram 110

Chinese 90Cc Atv Wiring Diagram | Wiring Diagram – Chinese Atv Wiring Diagram 110

Wiring Diagram will come with several easy to follow Wiring Diagram Instructions. It’s supposed to aid each of the typical user in building a correct system. These guidelines will probably be easy to understand and use. With this guidebook, you’ll be in a position to determine how each part ought to be related and also the precise steps you need to take as a way to effectively total a specific activity.

Chinese Quad 110 Cc Wiring Nightmare - Youtube - Chinese Atv Wiring Diagram 110

Chinese Quad 110 Cc Wiring Nightmare – Youtube – Chinese Atv Wiring Diagram 110

Wiring Diagram includes several comprehensive illustrations that show the connection of various items. It contains instructions and diagrams for different kinds of wiring techniques as well as other things like lights, home windows, and so forth. The guide includes a lot of practical strategies for different scenarios that you might experience when you’re dealing with wiring difficulties. Every one of those tips are illustrated with practical illustrations.

Wiring Diagram For Chinese Four Wheeler - Wiring Diagram Detailed - Chinese Atv Wiring Diagram 110

Wiring Diagram For Chinese Four Wheeler – Wiring Diagram Detailed – Chinese Atv Wiring Diagram 110

Wiring Diagram not only offers in depth illustrations of everything you can perform, but additionally the processes you need to stick to while carrying out so. Not merely can you discover different diagrams, however you can also get step-by-step guidelines for a particular undertaking or subject that you would wish to know more details on. It’ll allow you to master various methods to sophisticated issues.

Wiring Diagram 110Cc Atv Taotao And Tao 125 At Tao Tao 125 Atv - Chinese Atv Wiring Diagram 110

Wiring Diagram 110Cc Atv Taotao And Tao 125 At Tao Tao 125 Atv – Chinese Atv Wiring Diagram 110

Additionally, Wiring Diagram provides you with the time body during which the assignments are for being accomplished. You will be able to understand specifically once the projects needs to be accomplished, which makes it easier for you personally to properly handle your time.

110 Honda 4 Wheeler Wiring Diagram | Wiring Diagram - Chinese Atv Wiring Diagram 110

110 Honda 4 Wheeler Wiring Diagram | Wiring Diagram – Chinese Atv Wiring Diagram 110

Wiring diagram also provides helpful ideas for assignments which may require some additional tools. This book even consists of suggestions for added provides that you might require in order to complete your projects. It’ll be in a position to supply you with extra gear like conductive tape, screwdrivers, wire nuts, and so on. It’ll also contain materials you could need to full easy projects.

Wiring Harness For Chinese Atv - Wiring Diagram Detailed - Chinese Atv Wiring Diagram 110

Wiring Harness For Chinese Atv – Wiring Diagram Detailed – Chinese Atv Wiring Diagram 110

Wiring Diagram contains the two examples and step-by-step directions that might allow you to truly develop your venture. This really is useful for each the people and for professionals that are searching for more information regarding how to set up a operating atmosphere. Wiring Diagrams are created to be easy to understand and easy to build. You are able to locate this manual easy to utilize and also very cost-effective.

Chinese Atv Wiring Harness Diagram | Wiring Diagram - Chinese Atv Wiring Diagram 110

Chinese Atv Wiring Harness Diagram | Wiring Diagram – Chinese Atv Wiring Diagram 110

You’ll be able to usually count on Wiring Diagram as an crucial reference that may help you conserve time and money. With all the help of this book, you’ll be able to effortlessly do your own wiring assignments. Regardless of what you will need it for, you can often find a listing of different supplies that you will want to perform a job. Moreover, this e-book gives useful suggestions for several distinct assignments that you simply will be capable to finish.

110Cc Chinese Atv Wiring Harness - Wiring Diagram Data - Chinese Atv Wiring Diagram 110

110Cc Chinese Atv Wiring Harness – Wiring Diagram Data – Chinese Atv Wiring Diagram 110

Watch The Video of chinese atv wiring diagram 110