Universal Turn Signal Switch Wiring Diagram | Wiring Diagram – Universal Turn Signal Wiring Diagram

Universal Turn Signal Switch Wiring Diagram | Wiring Diagram – Universal Turn Signal Wiring Diagram

universal turn signal wiring diagram – You will want a comprehensive, expert, and easy to understand Wiring Diagram. With this kind of an illustrative manual, you’ll be able to troubleshoot, stop, and full your tasks easily. Not only will it assist you to accomplish your required final results quicker, but also make the whole method less difficult for everybody. This e-book can prove for being the right instrument for all these who wish to develop a well-organized and well-planned operating surroundings.

Everlasting Turn Signal Switch Wiring Diagram | Wiring Diagram - Universal Turn Signal Wiring Diagram

Everlasting Turn Signal Switch Wiring Diagram | Wiring Diagram – Universal Turn Signal Wiring Diagram

Wiring Diagram will come with a number of easy to adhere to Wiring Diagram Instructions. It really is supposed to assist all the typical user in building a correct system. These guidelines will be easy to comprehend and apply. With this particular manual, you’ll be able to find out how each and every element needs to be related and also the actual steps you should take in order to effectively full a certain activity.

Universal Turn Signal Switch Wiring Diagram | Wiring Diagram - Universal Turn Signal Wiring Diagram

Universal Turn Signal Switch Wiring Diagram | Wiring Diagram – Universal Turn Signal Wiring Diagram

Wiring Diagram contains numerous in depth illustrations that show the relationship of varied items. It consists of instructions and diagrams for different types of wiring methods as well as other things like lights, windows, and so forth. The guide includes a lot of practical tips for numerous situations that you could encounter when you’re dealing with wiring difficulties. Every one of those suggestions are illustrated with useful examples.

Universal Turn Signal Flasher Wiring Diagram - Trusted Wiring - Universal Turn Signal Wiring Diagram

Universal Turn Signal Flasher Wiring Diagram – Trusted Wiring – Universal Turn Signal Wiring Diagram

Wiring Diagram not just provides in depth illustrations of whatever you can perform, but in addition the processes you should stick to although carrying out so. Not only are you able to discover various diagrams, however, you also can get step-by-step directions to get a certain venture or topic that you would prefer to know more about. It’ll enable you to definitely grasp different ways to complex problems.

Grote Turn Signal Switch Wiring Diagram | Wiring Diagram - Universal Turn Signal Wiring Diagram

Grote Turn Signal Switch Wiring Diagram | Wiring Diagram – Universal Turn Signal Wiring Diagram

In addition, Wiring Diagram gives you enough time frame during which the assignments are to become accomplished. You may be in a position to know exactly when the tasks should be finished, which makes it much easier to suit your needs to properly manage your time.

Wiring Diagram For Stebel Air Horn - Wiring Diagrams Hubs - Universal Turn Signal Wiring Diagram

Wiring Diagram For Stebel Air Horn – Wiring Diagrams Hubs – Universal Turn Signal Wiring Diagram

Wiring diagram also offers useful recommendations for assignments that may need some added tools. This book even includes recommendations for extra supplies that you could want to be able to complete your projects. It’ll be capable to supply you with additional tools like conductive tape, screwdrivers, wire nuts, and so forth. It will also include supplies you might have to total straightforward assignments.

Club Car Golf Cart Turn Signal Wiring Diagram | Wiring Diagram - Universal Turn Signal Wiring Diagram

Club Car Golf Cart Turn Signal Wiring Diagram | Wiring Diagram – Universal Turn Signal Wiring Diagram

Wiring Diagram consists of both examples and step-by-step instructions that would enable you to definitely actually develop your project. This can be helpful for both the individuals and for professionals that are seeking for more information on how to established up a working environment. Wiring Diagrams are made to be easy to comprehend and easy to create. You can find this guide easy to utilize and also really affordable.

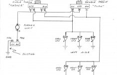
Park And Universal Turn Signal Light Wiring Diagram | Wiring Diagram - Universal Turn Signal Wiring Diagram

Park And Universal Turn Signal Light Wiring Diagram | Wiring Diagram – Universal Turn Signal Wiring Diagram

You are able to always rely on Wiring Diagram as an important reference that will help you save time and cash. Using the aid of this guide, you are able to very easily do your own personal wiring projects. No matter what you need it for, you can always discover a list of distinct materials that you’ll want to accomplish a job. Moreover, this guide offers practical recommendations for several distinct tasks that you will be able to accomplish.

550 Flasher Wiring Diagram - Trusted Wiring Diagram Online - Universal Turn Signal Wiring Diagram

550 Flasher Wiring Diagram – Trusted Wiring Diagram Online – Universal Turn Signal Wiring Diagram

Watch The Video of universal turn signal wiring diagram