Warn Winch 5 Wire Control Wiring Diagram | Wiring Diagram – Waren Winch Wiring Diagram

Warn Winch 5 Wire Control Wiring Diagram | Wiring Diagram – Waren Winch Wiring Diagram

waren winch wiring diagram – You will need a comprehensive, expert, and easy to comprehend Wiring Diagram. With this kind of an illustrative manual, you are going to have the ability to troubleshoot, stop, and full your assignments easily. Not just will it help you achieve your required results quicker, but also make the whole procedure simpler for everyone. This guide can show to be the perfect tool for all those who wish to create a well-organized and well-planned functioning environment.

Warn Power Plant Wiring Diagram | Wiring Library - Waren Winch Wiring Diagram

Warn Power Plant Wiring Diagram | Wiring Library – Waren Winch Wiring Diagram

Wiring Diagram arrives with several easy to follow Wiring Diagram Guidelines. It is intended to aid each of the average user in developing a suitable system. These guidelines will be easy to comprehend and apply. With this particular guidebook, you’ll be in a position to find out how each component ought to be related and the exact actions you ought to consider as a way to efficiently full a specific task.

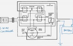
Warn Winch Controller Wiring Diagram | Schematic Diagram - Waren Winch Wiring Diagram

Warn Winch Controller Wiring Diagram | Schematic Diagram – Waren Winch Wiring Diagram

Wiring Diagram includes several in depth illustrations that display the relationship of assorted products. It consists of directions and diagrams for different varieties of wiring methods and other products like lights, windows, and so on. The guide includes a lot of sensible tips for numerous circumstances that you might experience if you’re working with wiring difficulties. Each one of such ideas are illustrated with practical illustrations.

Rewiring And Troubleshooting A Warn M8000 Winch - Part 1 - Youtube - Waren Winch Wiring Diagram

Rewiring And Troubleshooting A Warn M8000 Winch – Part 1 – Youtube – Waren Winch Wiring Diagram

Wiring Diagram not only provides comprehensive illustrations of everything you can do, but also the methods you need to follow while doing so. Not only are you able to discover various diagrams, but you can also get step-by-step instructions for a specific venture or topic that you would like to know more details on. It’s going to permit you to master different methods to complex concerns.

Warn Winch 5 Wire Control Wiring Diagram | Wiring Diagram - Waren Winch Wiring Diagram

Warn Winch 5 Wire Control Wiring Diagram | Wiring Diagram – Waren Winch Wiring Diagram

Additionally, Wiring Diagram gives you enough time body during which the tasks are for being completed. You’ll be able to know precisely when the assignments ought to be finished, that makes it easier for you to correctly manage your time.

Large Frame 24V Wiring Diagram Winchserviceparts | Wiring Diagram - Waren Winch Wiring Diagram

Large Frame 24V Wiring Diagram Winchserviceparts | Wiring Diagram – Waren Winch Wiring Diagram

Wiring diagram also provides helpful ideas for projects which may require some additional equipment. This e-book even includes suggestions for additional materials that you may need in order to end your assignments. It’ll be capable to supply you with additional gear like conductive tape, screwdrivers, wire nuts, etc. It’s going to also consist of materials you might need to complete straightforward projects.

Warn Winch Rebuild Video #4, Albright Solenoid Install - Youtube - Waren Winch Wiring Diagram

Warn Winch Rebuild Video #4, Albright Solenoid Install – Youtube – Waren Winch Wiring Diagram

Wiring Diagram includes each examples and step-by-step directions that will enable you to definitely really develop your undertaking. This is beneficial for each the people and for professionals that are searching to learn more regarding how to set up a operating surroundings. Wiring Diagrams are designed to be easy to know and easy to create. You’ll be able to discover this manual easy to utilize and in addition very cost-effective.

Warn Winch Controller Wiring Diagram | Schematic Diagram - Waren Winch Wiring Diagram

Warn Winch Controller Wiring Diagram | Schematic Diagram – Waren Winch Wiring Diagram

You can often count on Wiring Diagram being an essential reference that can enable you to save time and money. With all the help of this e-book, you’ll be able to effortlessly do your own wiring projects. Regardless of what you will need it for, you can always locate a listing of different provides that you will need to perform a activity. Moreover, this book gives sensible ideas for many various tasks that you simply will probably be capable to finish.

Warn Winch Wiring Diagrams | Wiring Diagram - Waren Winch Wiring Diagram

Warn Winch Wiring Diagrams | Wiring Diagram – Waren Winch Wiring Diagram

Watch The Video of waren winch wiring diagram