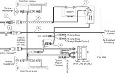
Western Plow Controller Wiring Diagram – Data Wiring Diagram Schematic – Western Unimount Wiring Diagram

Western Plow Controller Wiring Diagram – Data Wiring Diagram Schematic – Western Unimount Wiring Diagram

western unimount wiring diagram – You will need an extensive, expert, and easy to comprehend Wiring Diagram. With this sort of an illustrative guidebook, you will have the ability to troubleshoot, stop, and complete your assignments without difficulty. Not only will it assist you to attain your desired results more quickly, but also make the complete method easier for everybody. This guide can show for being the ideal device for all these who want to develop a well-organized and well-planned functioning surroundings.

Box Truck Lift Gate Wiring Diagram - Wiring Diagrams Hubs - Western Unimount Wiring Diagram

Box Truck Lift Gate Wiring Diagram – Wiring Diagrams Hubs – Western Unimount Wiring Diagram

Wiring Diagram will come with several easy to stick to Wiring Diagram Instructions. It really is meant to help all of the typical person in creating a suitable method. These instructions will probably be easy to grasp and apply. Using this guidebook, you may be able to see how each and every component ought to be connected and also the actual steps you need to consider to be able to effectively complete a specific job.

Warn Winch Solenoid Wiring - Wiring Diagrams Hubs - Western Unimount Wiring Diagram

Warn Winch Solenoid Wiring – Wiring Diagrams Hubs – Western Unimount Wiring Diagram

Wiring Diagram contains many detailed illustrations that display the connection of assorted things. It consists of directions and diagrams for different types of wiring strategies and other items like lights, windows, and so on. The e-book incorporates a lot of practical tips for various situations that you may encounter when you’re working with wiring difficulties. Each one of such suggestions are illustrated with practical examples.

Western Unimount Wiring Diagram Hb5 | Manual E-Books - Western Unimount Wiring Diagram

Western Unimount Wiring Diagram Hb5 | Manual E-Books – Western Unimount Wiring Diagram

Wiring Diagram not merely gives comprehensive illustrations of whatever you can do, but additionally the procedures you need to stick to while performing so. Not only is it possible to find numerous diagrams, however, you can also get step-by-step directions for a particular project or topic that you would like to know more details on. It’s going to allow you to definitely master distinct methods to complicated concerns.

Warn Winch Solenoid Wiring - Wiring Diagrams Hubs - Western Unimount Wiring Diagram

Warn Winch Solenoid Wiring – Wiring Diagrams Hubs – Western Unimount Wiring Diagram

In addition, Wiring Diagram gives you enough time body in which the tasks are to be accomplished. You may be capable to learn precisely once the projects should be completed, that makes it easier to suit your needs to correctly control your time and efforts.

Box Truck Lift Gate Wiring Diagram - Wiring Diagrams Hubs - Western Unimount Wiring Diagram

Box Truck Lift Gate Wiring Diagram – Wiring Diagrams Hubs – Western Unimount Wiring Diagram

Wiring diagram also offers helpful ideas for tasks that may demand some additional equipment. This book even consists of ideas for added materials that you could need to be able to finish your tasks. It’ll be capable to offer you with additional equipment like conductive tape, screwdrivers, wire nuts, etc. It’ll also consist of supplies you might have to total simple assignments.

Plow Wiring Harness Diagram Western Snow Plow Western Snow Plow - Western Unimount Wiring Diagram

Plow Wiring Harness Diagram Western Snow Plow Western Snow Plow – Western Unimount Wiring Diagram

Wiring Diagram includes each illustrations and step-by-step instructions that will enable you to really build your project. This really is useful for each the individuals and for professionals that are searching to find out more regarding how to established up a functioning environment. Wiring Diagrams are made to be easy to know and easy to build. You’ll be able to discover this guidebook easy to make use of and also really cost-effective.

Warn Winch Solenoid Wiring - Wiring Diagrams Hubs - Western Unimount Wiring Diagram

Warn Winch Solenoid Wiring – Wiring Diagrams Hubs – Western Unimount Wiring Diagram

You’ll be able to always rely on Wiring Diagram being an essential reference that will help you preserve time and money. Using the assist of this book, you’ll be able to easily do your own wiring projects. Regardless of what you’ll need it for, you can usually locate a listing of distinct materials that you’ll want to perform a job. In addition, this e-book gives sensible ideas for many distinct assignments that you simply will probably be capable to accomplish.

Western Plow Controller Wiring Diagram - Data Wiring Diagram Schematic - Western Unimount Wiring Diagram

Western Plow Controller Wiring Diagram – Data Wiring Diagram Schematic – Western Unimount Wiring Diagram

Watch The Video of western unimount wiring diagram