Wiring Diagram 88 Chevy Silverado – Wiring Diagram Detailed – 1988 Chevy Truck Wiring Diagram

Wiring Diagram 88 Chevy Silverado – Wiring Diagram Detailed – 1988 Chevy Truck Wiring Diagram

1988 chevy truck wiring diagram – You will need an extensive, expert, and easy to comprehend Wiring Diagram. With such an illustrative manual, you’ll be capable of troubleshoot, avoid, and complete your projects with ease. Not just will it assist you to attain your desired final results quicker, but also make the entire process less difficult for everyone. This guide can prove for being the right device for all those who desire to produce a well-organized and well-planned operating surroundings.

Repair Guides | Wiring Diagrams | Wiring Diagrams | Autozone - 1988 Chevy Truck Wiring Diagram

Repair Guides | Wiring Diagrams | Wiring Diagrams | Autozone – 1988 Chevy Truck Wiring Diagram

Wiring Diagram comes with a number of easy to follow Wiring Diagram Instructions. It really is supposed to help each of the common consumer in developing a correct system. These directions will be easy to comprehend and use. With this particular guidebook, you may be able to see how every component needs to be related and also the actual actions you need to take in order to successfully total a certain task.

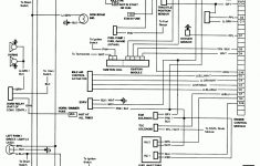
Wiring Diagram 88 Chevy Silverado - Wiring Diagram Detailed - 1988 Chevy Truck Wiring Diagram

Wiring Diagram 88 Chevy Silverado – Wiring Diagram Detailed – 1988 Chevy Truck Wiring Diagram

Wiring Diagram contains several comprehensive illustrations that display the relationship of various items. It contains directions and diagrams for various types of wiring methods as well as other products like lights, home windows, and so forth. The book includes a great deal of useful techniques for various situations that you could experience when you’re dealing with wiring issues. Each and every one of such ideas are illustrated with practical examples.

1990 Chevrolet 1500 Wiring Diagram - Today Wiring Diagram - 1988 Chevy Truck Wiring Diagram

1990 Chevrolet 1500 Wiring Diagram – Today Wiring Diagram – 1988 Chevy Truck Wiring Diagram

Wiring Diagram not merely gives detailed illustrations of everything you can perform, but in addition the processes you should stick to whilst performing so. Not merely can you find numerous diagrams, however, you can also get step-by-step directions to get a certain venture or subject that you’d prefer to know more details on. It’s going to permit you to definitely learn various approaches to complex issues.

Repair Guides | Wiring Diagrams | Wiring Diagrams | Autozone - 1988 Chevy Truck Wiring Diagram

Repair Guides | Wiring Diagrams | Wiring Diagrams | Autozone – 1988 Chevy Truck Wiring Diagram

Furthermore, Wiring Diagram provides you with time frame during which the assignments are for being finished. You’ll be in a position to learn specifically when the projects needs to be accomplished, that makes it much easier for you personally to effectively handle your time.

1987 Chevy Truck Fuel Pump Wiring Diagram Need A - Wiring Block Diagram - 1988 Chevy Truck Wiring Diagram

1987 Chevy Truck Fuel Pump Wiring Diagram Need A – Wiring Block Diagram – 1988 Chevy Truck Wiring Diagram

Wiring diagram also provides helpful recommendations for projects that might need some extra tools. This e-book even includes recommendations for extra provides that you might want as a way to finish your assignments. It’ll be able to offer you with additional equipment like conductive tape, screwdrivers, wire nuts, and so on. It’ll also consist of materials you may must total straightforward projects.

Complete 73-87 Wiring Diagrams - 1988 Chevy Truck Wiring Diagram

Complete 73-87 Wiring Diagrams – 1988 Chevy Truck Wiring Diagram

Wiring Diagram contains each examples and step-by-step guidelines that might enable you to definitely truly build your undertaking. This really is useful for the two the people and for specialists that are looking for more information on how to established up a working atmosphere. Wiring Diagrams are created to be easy to comprehend and easy to build. You are able to find this guide easy to utilize and in addition very cost-effective.

Gmc Truck Wiring Diagrams On Gm Wiring Harness Diagram 88 98 | Kc - 1988 Chevy Truck Wiring Diagram

Gmc Truck Wiring Diagrams On Gm Wiring Harness Diagram 88 98 | Kc – 1988 Chevy Truck Wiring Diagram

You are able to usually rely on Wiring Diagram as an crucial reference that will help you conserve time and money. Using the help of this guide, you’ll be able to effortlessly do your own wiring assignments. It doesn’t matter what you need it for, you can always discover a listing of distinct supplies that you’ll want to accomplish a task. Moreover, this book provides practical suggestions for a lot of different projects that you will likely be capable to complete.

Repair Guides | Wiring Diagrams | Wiring Diagrams | Autozone - 1988 Chevy Truck Wiring Diagram

Repair Guides | Wiring Diagrams | Wiring Diagrams | Autozone – 1988 Chevy Truck Wiring Diagram

Watch The Video of 1988 chevy truck wiring diagram