7 Way Trailer Plug Wiring Diagram For 2002 Suburban | Wiring Diagram – 2002 Chevy Silverado Trailer Wiring Diagram

7 Way Trailer Plug Wiring Diagram For 2002 Suburban | Wiring Diagram – 2002 Chevy Silverado Trailer Wiring Diagram

2002 chevy silverado trailer wiring diagram – You will need a comprehensive, expert, and easy to understand Wiring Diagram. With this kind of an illustrative guidebook, you’ll be capable of troubleshoot, stop, and total your assignments with ease. Not merely will it help you achieve your desired outcomes quicker, but additionally make the complete process less difficult for everyone. This book can prove for being the right instrument for all individuals who desire to develop a well-organized and well-planned working surroundings.

2002 Chevy Silverado Trailer Wiring Diagram | Schematic Diagram - 2002 Chevy Silverado Trailer Wiring Diagram

2002 Chevy Silverado Trailer Wiring Diagram | Schematic Diagram – 2002 Chevy Silverado Trailer Wiring Diagram

Wiring Diagram will come with several easy to follow Wiring Diagram Guidelines. It’s meant to help all the typical consumer in creating a suitable system. These instructions will likely be easy to comprehend and implement. Using this manual, you may be capable to determine how every element ought to be linked and also the actual steps you ought to consider in order to efficiently full a certain activity.

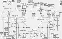
2002 Chevy Silverado Trailer Wiring Diagram | Schematic Diagram - 2002 Chevy Silverado Trailer Wiring Diagram

2002 Chevy Silverado Trailer Wiring Diagram | Schematic Diagram – 2002 Chevy Silverado Trailer Wiring Diagram

Wiring Diagram contains several comprehensive illustrations that present the connection of varied items. It contains instructions and diagrams for different types of wiring methods and other items like lights, home windows, and so on. The e-book features a great deal of sensible techniques for numerous scenarios that you might come across if you’re working with wiring problems. Each and every one of those suggestions are illustrated with useful examples.

Chevy Silverado Trailer Wiring | Wiring Diagram - 2002 Chevy Silverado Trailer Wiring Diagram

Chevy Silverado Trailer Wiring | Wiring Diagram – 2002 Chevy Silverado Trailer Wiring Diagram

Wiring Diagram not only offers comprehensive illustrations of everything you can perform, but in addition the procedures you need to adhere to although carrying out so. Not merely are you able to locate different diagrams, however, you may also get step-by-step directions for a certain project or topic that you would wish to know more about. It’ll enable you to grasp different methods to complicated concerns.

2002 Chevy Van Fuel Pump Wiring Diagram | Wiring Diagram - 2002 Chevy Silverado Trailer Wiring Diagram

2002 Chevy Van Fuel Pump Wiring Diagram | Wiring Diagram – 2002 Chevy Silverado Trailer Wiring Diagram

Furthermore, Wiring Diagram gives you enough time body by which the projects are for being accomplished. You will be able to know precisely if the projects should be finished, that makes it much simpler for you to properly manage your time and efforts.

Chevy Silverado 7 Plug Trailer Wiring Diagram | Wiring Diagram - 2002 Chevy Silverado Trailer Wiring Diagram

Chevy Silverado 7 Plug Trailer Wiring Diagram | Wiring Diagram – 2002 Chevy Silverado Trailer Wiring Diagram

Wiring diagram also offers useful ideas for projects that might need some extra equipment. This guide even contains suggestions for extra provides that you may want as a way to complete your tasks. It will likely be in a position to provide you with extra tools like conductive tape, screwdrivers, wire nuts, and so on. It’s going to also consist of supplies you might have to total simple projects.

Repair Guides | Wiring Diagrams | Wiring Diagrams | Autozone - 2002 Chevy Silverado Trailer Wiring Diagram

Repair Guides | Wiring Diagrams | Wiring Diagrams | Autozone – 2002 Chevy Silverado Trailer Wiring Diagram

Wiring Diagram consists of the two illustrations and step-by-step instructions that will enable you to actually construct your venture. This can be helpful for both the individuals and for experts who are searching for more information regarding how to established up a functioning environment. Wiring Diagrams are created to be easy to understand and easy to construct. You can discover this manual easy to utilize and also very affordable.

2002 Chevrolet Express 1500 Trailer Wiring | Manual E-Books - 2002 Chevy Silverado Trailer Wiring Diagram

2002 Chevrolet Express 1500 Trailer Wiring | Manual E-Books – 2002 Chevy Silverado Trailer Wiring Diagram

You’ll be able to often count on Wiring Diagram being an important reference that may assist you to save time and cash. With all the assist of this e-book, you are able to very easily do your personal wiring assignments. It doesn’t matter what you will need it for, you are able to usually discover a list of different supplies that you will need to accomplish a task. Moreover, this e-book provides practical recommendations for several different assignments that you will likely be able to finish.

7 Way Trailer Plug Wiring Diagram For 2002 Suburban | Wiring Diagram - 2002 Chevy Silverado Trailer Wiring Diagram

7 Way Trailer Plug Wiring Diagram For 2002 Suburban | Wiring Diagram – 2002 Chevy Silverado Trailer Wiring Diagram

Watch The Video of 2002 chevy silverado trailer wiring diagram