Repair Guides | Wiring Diagrams | Wiring Diagrams | Autozone – 2002 Chevy Silverado Trailer Wiring Diagram

Repair Guides | Wiring Diagrams | Wiring Diagrams | Autozone – 2002 Chevy Silverado Trailer Wiring Diagram

2002 chevy silverado trailer wiring diagram – You’ll need an extensive, skilled, and easy to understand Wiring Diagram. With this kind of an illustrative guidebook, you will have the ability to troubleshoot, stop, and full your assignments without difficulty. Not only will it assist you to achieve your desired final results quicker, but in addition make the whole method simpler for everyone. This e-book can prove to be the right instrument for all those who wish to develop a well-organized and well-planned operating surroundings.

2002 Chevrolet Express 1500 Trailer Wiring | Manual E-Books - 2002 Chevy Silverado Trailer Wiring Diagram

2002 Chevrolet Express 1500 Trailer Wiring | Manual E-Books – 2002 Chevy Silverado Trailer Wiring Diagram

Wiring Diagram arrives with several easy to follow Wiring Diagram Guidelines. It really is meant to assist all of the common person in building a correct program. These guidelines will probably be easy to understand and use. Using this guide, you’ll be in a position to determine how each and every component ought to be related as well as the precise steps you ought to consider to be able to successfully full a specific activity.

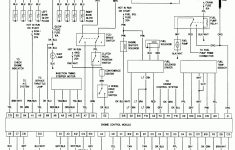
2002 Chevy Silverado Trailer Wiring Diagram | Schematic Diagram - 2002 Chevy Silverado Trailer Wiring Diagram

2002 Chevy Silverado Trailer Wiring Diagram | Schematic Diagram – 2002 Chevy Silverado Trailer Wiring Diagram

Wiring Diagram includes many comprehensive illustrations that display the link of varied things. It contains directions and diagrams for various types of wiring techniques along with other items like lights, windows, and so on. The guide includes a great deal of useful strategies for various scenarios that you might encounter when you’re dealing with wiring problems. Every one of such suggestions are illustrated with practical examples.

2002 Chevy Van Fuel Pump Wiring Diagram | Wiring Diagram - 2002 Chevy Silverado Trailer Wiring Diagram

2002 Chevy Van Fuel Pump Wiring Diagram | Wiring Diagram – 2002 Chevy Silverado Trailer Wiring Diagram

Wiring Diagram not only offers in depth illustrations of what you can do, but also the methods you ought to stick to although carrying out so. Not only is it possible to discover various diagrams, however, you also can get step-by-step guidelines for any specific undertaking or matter that you’d prefer to know more details on. It’s going to allow you to definitely learn various methods to complex issues.

Chevy Silverado Trailer Wiring | Wiring Diagram - 2002 Chevy Silverado Trailer Wiring Diagram

Chevy Silverado Trailer Wiring | Wiring Diagram – 2002 Chevy Silverado Trailer Wiring Diagram

Furthermore, Wiring Diagram gives you time frame in which the projects are for being completed. You’ll be in a position to know exactly when the projects needs to be finished, which makes it easier to suit your needs to properly manage your time.

2002 Chevy Silverado Trailer Wiring Diagram | Schematic Diagram - 2002 Chevy Silverado Trailer Wiring Diagram

2002 Chevy Silverado Trailer Wiring Diagram | Schematic Diagram – 2002 Chevy Silverado Trailer Wiring Diagram

Wiring diagram also offers helpful ideas for projects which may demand some additional tools. This e-book even contains recommendations for additional provides that you may want in order to complete your tasks. It’ll be capable to offer you with additional gear like conductive tape, screwdrivers, wire nuts, etc. It will also contain materials you could have to complete simple projects.

Repair Guides | Wiring Diagrams | Wiring Diagrams | Autozone - 2002 Chevy Silverado Trailer Wiring Diagram

Repair Guides | Wiring Diagrams | Wiring Diagrams | Autozone – 2002 Chevy Silverado Trailer Wiring Diagram

Wiring Diagram includes the two examples and step-by-step instructions that would enable you to actually develop your undertaking. This really is useful for each the individuals and for specialists who’re searching to learn more on how to set up a operating atmosphere. Wiring Diagrams are designed to be easy to know and easy to construct. You can find this guidebook easy to use and also extremely cost-effective.

7 Way Trailer Plug Wiring Diagram For 2002 Suburban | Wiring Diagram - 2002 Chevy Silverado Trailer Wiring Diagram

7 Way Trailer Plug Wiring Diagram For 2002 Suburban | Wiring Diagram – 2002 Chevy Silverado Trailer Wiring Diagram

You can usually count on Wiring Diagram being an crucial reference that can enable you to preserve time and cash. With all the aid of the guide, you’ll be able to effortlessly do your personal wiring projects. No matter what you’ll need it for, you can often locate a list of distinct supplies that you will want to accomplish a activity. Furthermore, this guide provides practical suggestions for a lot of different projects that you simply will be able to complete.

Chevy Silverado 7 Plug Trailer Wiring Diagram | Wiring Diagram - 2002 Chevy Silverado Trailer Wiring Diagram

Chevy Silverado 7 Plug Trailer Wiring Diagram | Wiring Diagram – 2002 Chevy Silverado Trailer Wiring Diagram

Watch The Video of 2002 chevy silverado trailer wiring diagram