Ezgo Txt Wiring Diagram Club Car Ds Ez 36 Volt Buggies Parts Within – Ezgo Txt Wiring Diagram

Ezgo Txt Wiring Diagram Club Car Ds Ez 36 Volt Buggies Parts Within – Ezgo Txt Wiring Diagram

ezgo txt wiring diagram – You will want a comprehensive, professional, and easy to comprehend Wiring Diagram. With this sort of an illustrative guidebook, you’ll be capable of troubleshoot, stop, and total your projects without difficulty. Not only will it help you accomplish your required final results faster, but additionally make the entire process simpler for everyone. This guide can show for being the ideal tool for all those who want to produce a well-organized and well-planned functioning environment.

Ezgo Txt Wiring Diagram For Key Switch - Wiring Diagrams Hubs - Ezgo Txt Wiring Diagram

Ezgo Txt Wiring Diagram For Key Switch – Wiring Diagrams Hubs – Ezgo Txt Wiring Diagram

Wiring Diagram will come with a number of easy to stick to Wiring Diagram Directions. It’s intended to assist all of the typical person in creating a correct program. These directions will likely be easy to comprehend and apply. With this particular manual, you will be able to see how each and every part should be related and also the exact steps you need to get as a way to effectively complete a specific job.

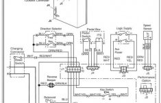
Ezgo Txt Wiring Diagram Volovets Info For On Ezgo Txt Wiring Diagram - Ezgo Txt Wiring Diagram

Ezgo Txt Wiring Diagram Volovets Info For On Ezgo Txt Wiring Diagram – Ezgo Txt Wiring Diagram

Wiring Diagram contains many comprehensive illustrations that display the link of various things. It includes directions and diagrams for various varieties of wiring strategies along with other products like lights, home windows, and so forth. The book incorporates a large amount of useful techniques for various circumstances that you may come across when you’re working with wiring problems. Each one of those tips are illustrated with useful examples.

Ezgo Txt Wiring Diagram Club Car Ds Ez 36 Volt Buggies Parts Within - Ezgo Txt Wiring Diagram

Ezgo Txt Wiring Diagram Club Car Ds Ez 36 Volt Buggies Parts Within – Ezgo Txt Wiring Diagram

Wiring Diagram not merely gives detailed illustrations of whatever you can do, but additionally the methods you ought to adhere to although doing so. Not merely are you able to discover various diagrams, however you may also get step-by-step directions to get a particular undertaking or subject that you would like to know more details on. It will permit you to learn different approaches to sophisticated issues.

Ez Go Txt 36 Volt Wiring Diagram - Mikulskilawoffices - Ezgo Txt Wiring Diagram

Ez Go Txt 36 Volt Wiring Diagram – Mikulskilawoffices – Ezgo Txt Wiring Diagram

In addition, Wiring Diagram provides you with the time frame in which the projects are to become finished. You’ll be in a position to learn specifically if the assignments needs to be finished, that makes it much simpler to suit your needs to effectively control your time and efforts.

Ezgo Txt Wiring Diagram For Key Switch - Wiring Diagrams Hubs - Ezgo Txt Wiring Diagram

Ezgo Txt Wiring Diagram For Key Switch – Wiring Diagrams Hubs – Ezgo Txt Wiring Diagram

Wiring diagram also provides helpful recommendations for projects that may need some additional tools. This guide even includes suggestions for additional materials that you might need as a way to finish your assignments. It will likely be able to offer you with extra gear like conductive tape, screwdrivers, wire nuts, and so forth. It’ll also contain supplies you could must complete easy tasks.

Wiring Diagram Ezgo Golf Cart Ez Go At Electric - Wiring Diagrams - Ezgo Txt Wiring Diagram

Wiring Diagram Ezgo Golf Cart Ez Go At Electric – Wiring Diagrams – Ezgo Txt Wiring Diagram

Wiring Diagram includes the two examples and step-by-step instructions that will allow you to definitely really build your venture. This can be useful for each the individuals and for specialists who are looking to learn more on how to set up a functioning surroundings. Wiring Diagrams are designed to be easy to understand and easy to create. You’ll be able to locate this manual easy to make use of and also very inexpensive.

36 Volt Club Car Golf Cart Wiring Diagram Unique Ezgo Txt 36 Volt - Ezgo Txt Wiring Diagram

36 Volt Club Car Golf Cart Wiring Diagram Unique Ezgo Txt 36 Volt – Ezgo Txt Wiring Diagram

You can often depend on Wiring Diagram as an important reference that can assist you to save money and time. Using the assist of the e-book, you can very easily do your own personal wiring tasks. It doesn’t matter what you need it for, you can always discover a list of various materials that you will need to perform a task. Moreover, this guide gives sensible suggestions for a lot of various tasks which you will be able to accomplish.

Ez Go Txt Wiring Diagram 36 Volt | Manual E-Books - Ezgo Txt Wiring Diagram

Ez Go Txt Wiring Diagram 36 Volt | Manual E-Books – Ezgo Txt Wiring Diagram

Watch The Video of ezgo txt wiring diagram