Chevrolet Camaro Questions – What Fuse Operates The Fuel Pump On An – Fuel Pump Wiring Diagram

Chevrolet Camaro Questions – What Fuse Operates The Fuel Pump On An – Fuel Pump Wiring Diagram

fuel pump wiring diagram – You’ll need an extensive, professional, and easy to know Wiring Diagram. With such an illustrative guide, you’ll be capable of troubleshoot, stop, and complete your assignments with ease. Not merely will it assist you to achieve your desired final results more quickly, but additionally make the entire process simpler for everyone. This e-book can show for being the right device for all these who desire to create a well-organized and well-planned operating atmosphere.

Gmc Pickup Wiring Diagrams | Wiring Library - Fuel Pump Wiring Diagram

Gmc Pickup Wiring Diagrams | Wiring Library – Fuel Pump Wiring Diagram

Wiring Diagram arrives with numerous easy to stick to Wiring Diagram Guidelines. It is intended to aid all of the common consumer in developing a correct method. These directions will probably be easy to understand and apply. Using this manual, you may be capable to find out how each part ought to be linked as well as the actual steps you need to consider as a way to effectively full a certain job.

Fuel Pump Install Wiring Instructions - Fuel Pump Wiring Diagram

Fuel Pump Install Wiring Instructions – Fuel Pump Wiring Diagram

Wiring Diagram consists of many detailed illustrations that show the connection of various things. It consists of directions and diagrams for different types of wiring methods along with other things like lights, windows, and so on. The e-book features a lot of practical strategies for various situations that you might encounter when you are working with wiring problems. Each one of these ideas are illustrated with practical examples.

Wanted: Fuel Pump Wiring Schematic - Ls1Tech - Camaro And Firebird - Fuel Pump Wiring Diagram

Wanted: Fuel Pump Wiring Schematic – Ls1Tech – Camaro And Firebird – Fuel Pump Wiring Diagram

Wiring Diagram not merely offers detailed illustrations of whatever you can do, but in addition the methods you should adhere to whilst doing so. Not just is it possible to locate different diagrams, however you also can get step-by-step directions to get a certain undertaking or subject that you’d prefer to know more details on. It will enable you to definitely master various ways to sophisticated issues.

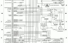
I Have 2005 Dodge Durango The Fuel Pump Is Not Comeing On I Check - Fuel Pump Wiring Diagram

I Have 2005 Dodge Durango The Fuel Pump Is Not Comeing On I Check – Fuel Pump Wiring Diagram

Additionally, Wiring Diagram gives you the time frame by which the assignments are to become finished. You’ll be in a position to know precisely if the assignments needs to be accomplished, that makes it easier for you to correctly control your time and efforts.

Figure 1.12. Schematic Wiring Diagram Fuel Pump Motor Circuit - Fuel Pump Wiring Diagram

Figure 1.12. Schematic Wiring Diagram Fuel Pump Motor Circuit – Fuel Pump Wiring Diagram

Wiring diagram also provides beneficial suggestions for tasks that might need some extra equipment. This e-book even consists of ideas for additional supplies that you might want in order to complete your assignments. It will be in a position to provide you with extra tools like conductive tape, screwdrivers, wire nuts, and so on. It will also contain supplies you could have to total straightforward tasks.

Chevrolet Camaro Questions - What Fuse Operates The Fuel Pump On An - Fuel Pump Wiring Diagram

Chevrolet Camaro Questions – What Fuse Operates The Fuel Pump On An – Fuel Pump Wiring Diagram

Wiring Diagram consists of each illustrations and step-by-step instructions that might allow you to actually build your project. This really is helpful for each the individuals and for specialists who’re searching for more information regarding how to set up a functioning surroundings. Wiring Diagrams are designed to be easy to comprehend and easy to construct. You’ll be able to find this manual easy to utilize and also really affordable.

Fuel Pump Wiring Help - Fuel Pump Wiring Diagram

Fuel Pump Wiring Help – Fuel Pump Wiring Diagram

You’ll be able to usually count on Wiring Diagram as an crucial reference that can help you conserve money and time. With the assist of the e-book, you are able to effortlessly do your personal wiring tasks. No matter what you need it for, you are able to usually discover a list of distinct provides that you will need to accomplish a task. Furthermore, this guide provides practical recommendations for a lot of distinct assignments that you simply will probably be capable to accomplish.

Fuel Pump Electrical Circuits Description And Operation - Youtube - Fuel Pump Wiring Diagram

Fuel Pump Electrical Circuits Description And Operation – Youtube – Fuel Pump Wiring Diagram

Watch The Video of fuel pump wiring diagram