2005 jeep grand cherokee radio wiring diagram – You will want an extensive, professional, and easy to comprehend Wiring Diagram. With such an illustrative manual, you’ll have the ability to troubleshoot, stop, and total your tasks without difficulty. Not only will it help you achieve your required final results more quickly, but also make the entire procedure less difficult for everyone. This guide can show to become the perfect tool for all these who want to develop a well-organized and well-planned operating surroundings.
Gallery 96 Jeep Grand Cherokee Radio Wiring Diagram Factory Stereo – 2005 Jeep Grand Cherokee Radio Wiring Diagram
Wiring Diagram comes with several easy to follow Wiring Diagram Guidelines. It’s intended to aid all of the common person in building a suitable system. These instructions will likely be easy to grasp and apply. With this particular guide, you’ll be in a position to see how each and every part ought to be connected and also the precise steps you should take to be able to successfully total a specific job.
Gallery 96 Jeep Grand Cherokee Radio Wiring Diagram Factory Stereo – 2005 Jeep Grand Cherokee Radio Wiring Diagram
Wiring Diagram contains many comprehensive illustrations that display the relationship of varied things. It contains instructions and diagrams for various types of wiring techniques as well as other things like lights, windows, etc. The guide includes a lot of practical strategies for numerous circumstances that you might encounter if you’re dealing with wiring issues. Each one of those suggestions are illustrated with practical examples.
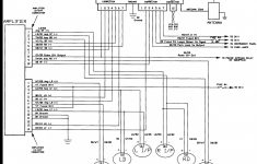
Wiring Diagram For 1999 Jeep Grand Cherokee – Wiring Diagrams Hubs – 2005 Jeep Grand Cherokee Radio Wiring Diagram
Wiring Diagram not just gives in depth illustrations of whatever you can perform, but additionally the methods you ought to stick to while carrying out so. Not only is it possible to find numerous diagrams, however you can also get step-by-step instructions to get a specific project or topic that you’d wish to know more details on. It’ll permit you to master different methods to complex concerns.
Xj Fuse Box | Wiring Diagram – 2005 Jeep Grand Cherokee Radio Wiring Diagram
In addition, Wiring Diagram gives you enough time frame during which the assignments are for being completed. You’ll be capable to learn exactly if the tasks should be accomplished, which makes it much easier for you personally to correctly manage your time and effort.
Gallery 96 Jeep Grand Cherokee Radio Wiring Diagram Factory Stereo – 2005 Jeep Grand Cherokee Radio Wiring Diagram
Wiring diagram also offers beneficial suggestions for tasks which may demand some additional tools. This guide even consists of recommendations for extra provides that you may need in order to finish your projects. It will likely be capable to provide you with further equipment like conductive tape, screwdrivers, wire nuts, and so on. It’ll also contain materials you might need to full simple tasks.
Wiring Diagram For 1999 Jeep Grand Cherokee – Wiring Diagrams Hubs – 2005 Jeep Grand Cherokee Radio Wiring Diagram
Wiring Diagram includes the two illustrations and step-by-step guidelines that will allow you to really construct your venture. This can be helpful for both the people and for specialists who’re looking to find out more on how to set up a operating atmosphere. Wiring Diagrams are designed to be easy to understand and easy to build. You can locate this guidebook easy to use and in addition very inexpensive.
Wiring Diagram For 1999 Jeep Grand Cherokee – Wiring Diagrams Hubs – 2005 Jeep Grand Cherokee Radio Wiring Diagram
You are able to often rely on Wiring Diagram being an crucial reference that can help you conserve time and money. Using the assist of the guide, you are able to very easily do your own wiring assignments. No matter what you will need it for, you’ll be able to always find a list of different provides that you will need to perform a task. In addition, this e-book gives useful ideas for a lot of different projects which you will likely be capable to complete.
Nissan 350Z Radio Wiring Diagram | Wiring Diagram – 2005 Jeep Grand Cherokee Radio Wiring Diagram
