2005 jeep grand cherokee radio wiring diagram – You’ll need a comprehensive, expert, and easy to comprehend Wiring Diagram. With this kind of an illustrative guide, you are going to have the ability to troubleshoot, avoid, and full your projects with ease. Not merely will it help you achieve your required final results quicker, but additionally make the complete method simpler for everybody. This e-book can demonstrate for being the perfect instrument for all these who wish to produce a well-organized and well-planned functioning environment.
Nissan 350Z Radio Wiring Diagram | Wiring Diagram – 2005 Jeep Grand Cherokee Radio Wiring Diagram
Wiring Diagram will come with several easy to adhere to Wiring Diagram Guidelines. It is meant to assist all of the typical person in creating a suitable system. These directions will be easy to grasp and apply. With this particular guidebook, you may be able to determine how each and every part ought to be connected and also the actual steps you need to get to be able to effectively total a specific task.
Xj Fuse Box | Wiring Diagram – 2005 Jeep Grand Cherokee Radio Wiring Diagram
Wiring Diagram includes many in depth illustrations that show the link of assorted things. It consists of directions and diagrams for different varieties of wiring techniques and other things like lights, home windows, and so on. The book includes a great deal of practical tips for numerous situations that you might experience when you’re working with wiring issues. Each one of such suggestions are illustrated with useful examples.
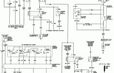
Gallery 96 Jeep Grand Cherokee Radio Wiring Diagram Factory Stereo – 2005 Jeep Grand Cherokee Radio Wiring Diagram
Wiring Diagram not just gives comprehensive illustrations of whatever you can do, but in addition the procedures you should follow although doing so. Not only can you discover different diagrams, but you can also get step-by-step instructions to get a specific undertaking or matter that you would like to know more details on. It’s going to allow you to learn different approaches to complex issues.
Gallery 96 Jeep Grand Cherokee Radio Wiring Diagram Factory Stereo – 2005 Jeep Grand Cherokee Radio Wiring Diagram
Additionally, Wiring Diagram gives you the time frame by which the tasks are for being completed. You may be in a position to know precisely when the projects ought to be completed, which makes it easier to suit your needs to properly handle your time and effort.
Wiring Diagram For 1999 Jeep Grand Cherokee – Wiring Diagrams Hubs – 2005 Jeep Grand Cherokee Radio Wiring Diagram
Wiring diagram also gives beneficial recommendations for assignments that may demand some extra equipment. This guide even contains recommendations for additional supplies that you may want in order to complete your tasks. It’ll be able to supply you with further tools like conductive tape, screwdrivers, wire nuts, and so forth. It’ll also contain supplies you could have to full straightforward assignments.
Wiring Diagram For 1999 Jeep Grand Cherokee – Wiring Diagrams Hubs – 2005 Jeep Grand Cherokee Radio Wiring Diagram
Wiring Diagram consists of the two illustrations and step-by-step instructions that will allow you to really construct your undertaking. This is beneficial for the two the people and for experts who’re looking to find out more regarding how to set up a working surroundings. Wiring Diagrams are designed to be easy to comprehend and easy to build. You can discover this guide easy to utilize and also really inexpensive.
Wiring Diagram For 1999 Jeep Grand Cherokee – Wiring Diagrams Hubs – 2005 Jeep Grand Cherokee Radio Wiring Diagram
You can always rely on Wiring Diagram being an crucial reference that will enable you to preserve money and time. With all the aid of the guide, you’ll be able to easily do your own wiring assignments. It doesn’t matter what you’ll need it for, you can often find a list of different materials that you will need to perform a task. In addition, this guide gives useful ideas for a lot of different projects that you will likely be capable to complete.
Gallery 96 Jeep Grand Cherokee Radio Wiring Diagram Factory Stereo – 2005 Jeep Grand Cherokee Radio Wiring Diagram
